lemon-mirror:
Home >> Acura >> 2012 >> TSX Sedan L4-2.4L >> Repair and Diagnosis >> Powertrain Management >> Computers and Control Systems >> Engine Control Module >> Service and Repair

Engine Control Module: Service and Repair




ECM/PCM Replacement

Special Tools Required

- Honda Diagnostic System (HDS) tablet tester
- Honda Interface Module (HIM) and an iN workstation with the latest HDS software version
- HDS pocket tester
- GNA600 and an iN workstation with the latest HDS software version
- MVCI unit with the latest control module (CM) update software installed
Any one of the above updating tools can be used.

NOTE: Make sure the HDS/iN workstation or the MVCI has the latest HDS software version.

1. Connect the HDS to the data link connector (DLC) (A) located under the driver's side of the dashboard.





2. Turn the ignition switch to ON (II).

3. Make sure the HDS communicates with the ECM/PCM and other vehicle systems. If it doesn't, go to the DLC circuit troubleshooting Testing and Inspection. If the result of the DLC circuit troubleshooting is to replace the ECM/PCM, skip steps 4 through 7, 17 through 22, and 25 through 26, and do the following procedures after replacing the ECM/PCM:

- Replace the engine oil Service and Repair and the engine oil filter Service and Repair.
- Replace the ATF (A/T) ATF Replacement.

4. Select the PGM-FI system with the HDS.

5. Select the REPLACE ECM/PCM MENU, then READ DATA, and follow the screen prompts.

NOTE:

- Doing this step copies (READS) the engine oil life data from the original ECM/PCM so you can later download (WRITES) it into the new ECM/PCM.
- If READ DATA indicates FAILED, continue with this procedure.

6. A/T: Select the A/T system with the HDS.

7. A/T: Select the REPLACE TCM/PCM MENU, then READ DATA, and follow the screen prompts.

NOTE:

- Doing this step copies (READS) the ATF life data from the original PCM so you can later download (WRITES) it into the new PCM.
- If READ DATA indicates FAILED, continue with this procedure.

8. Turn the ignition switch to LOCK (0).

9. Jump the SCS line with the HDS.

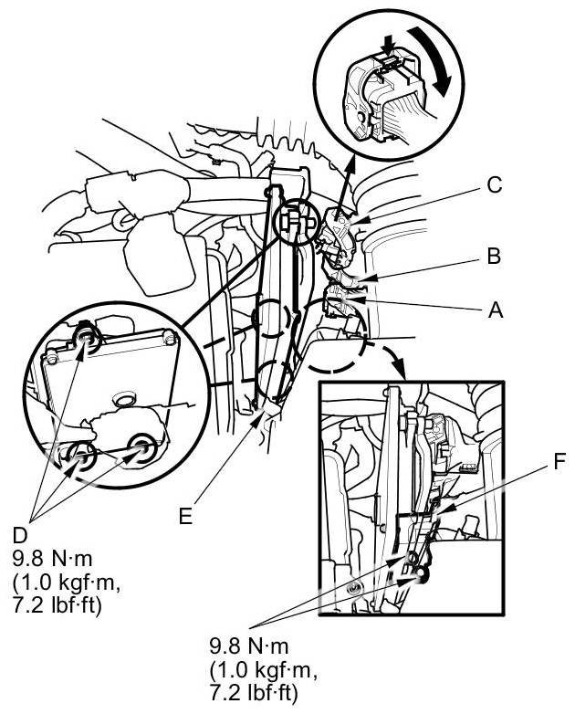
10. Remove the ECM/PCM cover (A).





11. Remove the battery setting plate (B), and reposition the battery away from the ECM/PCM.

NOTE: Do not disconnect the battery terminals.

12. Remove the bolts (D).





13. Disconnect ECM/PCM connectors A, B, and C, then remove the ECM/PCM (E).

NOTE:

- ECM/PCM connectors A, B, and C have symbols (A=(square), B=(triangle), C=(circle)) embossed on them for identification.
- Canada model: When disconnecting the ECM/PCM connectors, remove the ECM/PCM sub bracket (F).

14. Install the parts in the reverse order of removal.

15. Turn the ignition switch to ON (II).

16. Manually input the VIN to the ECM/PCM with the HDS.

NOTE: DTC P0630 VIN Not Programmed or Mismatch may be stored because the VIN has not been programmed into the ECM/PCM; ignore it, and continue this procedure.

17. If the READ DATA (engine oil life) failed in step 5, go to step 20 (A/T) or step 23 (M/T). Otherwise, go to step 18.

18. Select the PGM-FI system with the HDS.

19. Select the REPLACE ECM/PCM MENU, then WRITE DATA, and follow the screen prompts.

NOTE: If the WRITE DATA indicates FAILED, continue with this procedure.

20. A/T: If the READ DATA (ATF life) failed in step 6, go to step 23. Otherwise go to step 21.

21. A/T: Select the A/T SYSTEM with the HDS.

22. A/T: Select the REPLACE TCM/PCM MENU, then WRITE DATA, and follow the screen prompts.

NOTE: If the WRITE DATA indicates FAILED, continue with this procedure.

23. Select IMMOBI system with the HDS.

24. Enter the immobilizer ECM/PCM code that you got from the iN, and use the ECM/PCM replacement procedure in the IMMOBI Menu of the HDS; it allows you to start the engine.

25. If the READ DATA failed in step 5 or the WRITE DATA failed in step 19, replace the engine oil Service and Repair and engine oil filter Service and Repair, then go to step 26 (A/T) or step 27 (M/T).

26. A/T: If the READ DATA failed in step 7 or the WRITE DATA failed in step 22, replace the ATF ATF Replacement, then go to step 27.

27. Select PGM-FI system, and reset the ECM/PCM with the HDS.

28. Clean the throttle body Procedures.

29. Update the ECM/PCM if it does not have the latest software ECM/PCM Update (M/T).

30. Do the ECM/PCM idle learn procedure ECM/PCM Idle Learn Procedure (M/T).

31. Do the CKP pattern clear/CKP pattern learn procedure.