lemon-mirror:
Home >> Acura >> 2012 >> TL FWD V6-3.5L >> Repair and Diagnosis >> Powertrain Management >> Computers and Control Systems >> Engine Control Module >> Service and Repair

Engine Control Module: Service and Repair




ECM/PCM Replacement

Special Tools Required

- Honda Diagnostic System (HDS) tablet tester
- Honda Interface Module (HIM) and an iN workstation with the latest HDS software version
- HDS pocket tester
- GNA600 and an iN workstation with the latest HDS software version
- MVCI unit with the latest control module (CM) update software installed
Any one of the above updating tools can be used.

NOTE: Make sure the HDS/iN workstation or the MVCI unit has the latest HDS software version.

1. Connect HDS to the data link connector (DLC) (A) located under the driver's side of the dashboard.





2. Turn the ignition switch to ON (II), or press the engine start/stop button to select the ON mode.

3. Make sure the HDS communicates with the ECM/PCM and other vehicle systems. If it doesn't, go to the DLC circuit troubleshooting Testing and Inspection. If you are returning from the DLC circuit troubleshooting, skip steps 4 through 9, 17 through 22, and 25 through 27, and do this after replacing the ECM/PCM:

- Replace the engine oil Service and Repair and the engine oil filter Service and Repair.
- Replace the ATF (A/T) ATF Replacement.
- Clean the throttle body Procedures.

4. Select the PGM-FI system with the HDS.

5. Select the INSPECTION MENU with the HDS.

6. Select the ETCS TEST, then select the TP POSITION CHECK, and follow the screen prompts.

NOTE: If the TP POSITION CHECK indicates FAILED, continue with this procedure.

7. Select the REPLACE PCM MENU, then select READ DATA, and follow the screen prompts.

NOTE:

- Doing this step copies (READS) the engine oil life data from the original ECM/PCM so you can later download (WRITES) it into the new ECM/PCM.
- If READ DATA indicates FAILED, continue with this procedure.

8. A/T: Select the A/T system with the HDS.

9. A/T: Select the REPLACE TCM/PCM MENU, then select READ DATA, and follow the screen prompts.

NOTE:

- Doing this step copies (READS) the ATF life data from the original PCM so you can later download (WRITES) it into the new PCM.
- If READ DATA indicates FAILED, continue with this procedure.

10. Turn the ignition switch to LOCK (0), or press the engine start/stop button to select the OFF mode.

11. Jump the SCS line with the HDS.

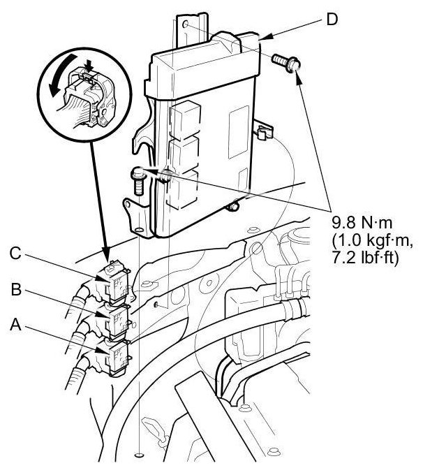
12. Disconnect ECM/PCM connectors A, B, and C, then remove the ECM/PCM assembly (D).

NOTE: ECM/PCM connectors A, B, and C have symbols (A=(square), B=(triangle), C=(circle)) embossed on them for identification.






13. Remove the cover (A) and the bracket (B) from the ECM/PCM (C).






14. Install the ECM/PCM in the reverse order of removal.

15. Turn the ignition switch to ON (II), or press the engine start/stop button to select the ON mode.

16. Manually input the VIN to the ECM/PCM with the HDS.

NOTE: DTC P0630 VIN Not Programmed or Mismatch may be stored because the VIN has not been programmed into the ECM/PCM; ignore it, and continue this procedure.

17. If the READ DATA (engine oil life) failed in step 7, go to step 20 (A/T) or step 23 (M/T). Otherwise, go to step 18.

18. Select the PGM-FI system with the HDS.

19. Select the REPLACE PCM MENU, then select WRITE DATA, and follow the screen prompts.

NOTE: If the WRITE DATA indicates FAILED, continue with this procedure.

20. A/T: If the READ DATA (ATF life) failed in step 9, go to step 23. Otherwise go to step 21.

21. A/T: Select the A/T SYSTEM with the HDS.

22. A/T: Select the REPLACE TCM/PCM MENU, then select WRITE DATA, and follow the screen prompts.

NOTE: If the WRITE DATA indicates FAILED, continue with this procedure.

23. Select IMMOBI system (without keyless access) or ONE PUSH START system (with keyless access) with the HDS.

24. Enter the immobilizer ECM/PCM code that you got from the iN, and use the ECM/PCM replacement procedure in the IMMOBI Menu (without keyless access) or ONE PUSH START Menu (with keyless access) of the HDS; it allows you to start the engine.

25. If the TP POSITION CHECK failed in step 6clean the throttle body Procedures, then go to step 26.

26. If the READ DATA failed in step 7 or the WRITE DATA failed in step 19, replace the engine oil Service and Repair and engine oil filter Service and Repair, then go to step 27 (A/T) or step 28 (M/T).

27. If the READ DATA failed in step 9 or the WRITE DATA failed in step 22, replace the ATF ATF Replacement, then go to step 28.

28. Select PGM-FI system, and reset the ECM/PCM with the HDS.

29. Update the ECM/PCM if it does not have the latest software ECM/PCM Update.

30. Do the ECM/PCM idle learn procedure ECM/PCM Idle Learn Procedure.

31. Do the CKP pattern clear/CKP pattern learn procedure.