lemon-mirror:
Home >> Acura >> 2012 >> TL FWD V6-3.5L >> Repair and Diagnosis >> Powertrain Management >> Computers and Control Systems >> Electric Load Sensor >> Service and Repair

Electric Load Sensor: Service and Repair




ELD Replacement

1. Do the battery terminal disconnection procedure Procedures.

2. Remove the upper cover (A), then remove the two positive (+) terminals (B).





3. Remove the under-hood fuse/relay box (C) from the bracket.

4. Remove the lower cover (A).





5. Disconnect the ELD 3P connector (B).

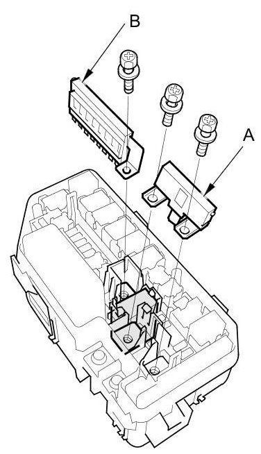
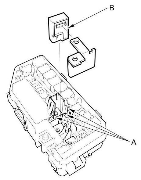
6. Remove the fuses (A and B).






7. Release the three lock tabs (A), then remove the ELD (B).





8. Install the parts in the reverse order of removal.

9. Do the battery terminal reconnection procedure Procedures.