lemon-mirror:
Home >> Acura >> 2012 >> TL FWD V6-3.5L >> Repair and Diagnosis >> Maintenance >> Filters >> Fuel Filter >> Service and Repair

Fuel Filter: Service and Repair




Fuel Filter Replacement

Without SH-AWD

The fuel filter should be replaced whenever the fuel pressure drops below the specified value Testing and Inspection, after making sure that the fuel pump and the fuel pressure regulator are OK.

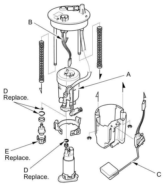
1. Remove the fuel tank unit.

2. Remove the fuel filter set (A).





3. Check these items before installing the fuel tank unit:

- When connecting the wire harness (B), make sure the connection is secure and the connectors are firmly locked into place.
- When installing the fuel gauge sending unit (C), make sure the connection is secure and the connector is firmly locked into place. Be careful not to bend or twist it excessively.

4. Install the parts in the reverse order of removal with new O-rings (D) and a new bracket (E). When installing the fuel tank unit, align the marks on the unit and the fuel tank.

NOTE:

- Coat the O-rings with clean engine oil; do not use any other oil or fluid.
- Do not pinch the O-rings during installation.
- Use all the new parts supplied in the fuel filter replacement kit.