lemon-mirror:
Home >> Acura >> 2011 >> RL V6-3.7L >> Repair and Diagnosis >> Cruise Control >> Cruise Control Switch >> Service and Repair >> Cruise Control Combination Switch Replacement

Cruise Control Combination Switch Replacement




Cruise Control Combination Switch Replacement

1. Remove the steering wheel Steering Wheel Removal.

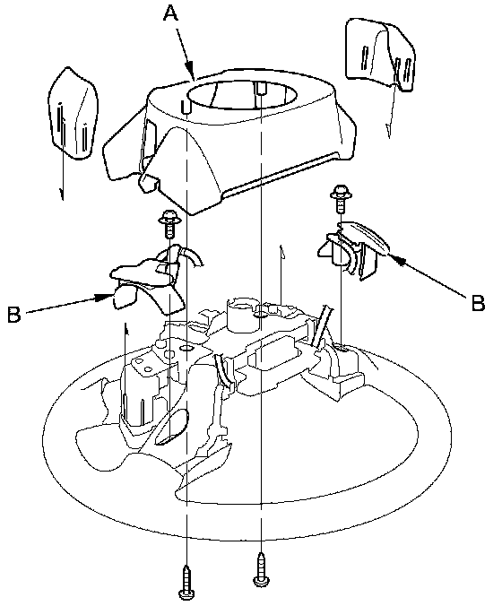
2. Remove the steering wheel rear cover (A) and the paddle shifters (B).






3. Remove the cruise control combination switch assembly (A).





4. Install the parts in the reverse order of removal.