lemon-mirror:
Home >> Acura >> 2011 >> RL V6-3.7L >> Repair and Diagnosis >> Accessories and Optional Equipment >> Navigation System >> Navigation Module >> Service and Repair

Navigation Module: Service and Repair




Navigation Unit Removal/Installation

NOTE:

- Before you replace the navigation unit, back-up the clients data using system diagnostic mode save users memory under the functional set-up.
- If the navigation unit is replaced or disconnected, a Map Matching must be done.

1. Turn the ignition switch to ON (II).

2. Eject the navigation DVD from the original navigation unit Service and Repair. To avoid scratching or damaging the DVD, temporarily place the DVD in a jewel case.

NOTE: If the DVD does not eject, refer to symptom troubleshooting Navigation unit does not eject or accept the navigation DVD.

3. Turn the ignition switch to LOCK (0).

4. Remove the trunk upper trim panel Interior Trim Removal / Installation - Trunk Area.

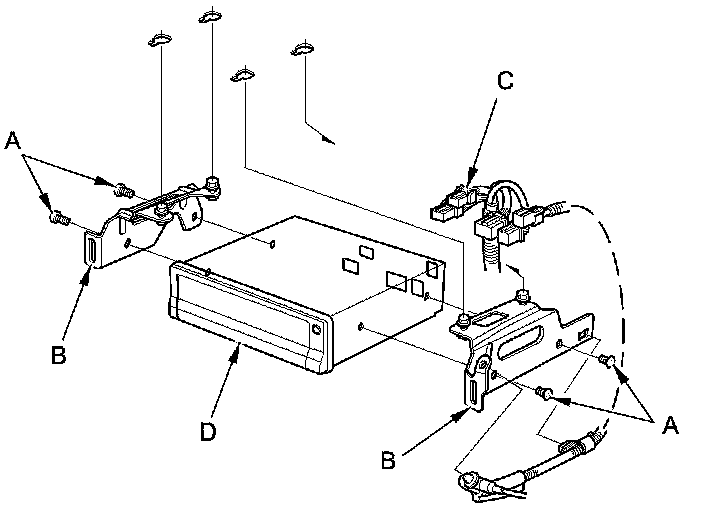
5. Loosen the mounting bolts, then remove the four screws (A) from the navigation unit brackets (B).





6. Disconnect the navigation unit connectors (C).

7. Remove the navigation unit (D).

8. Install the navigation unit in the reverse order of removal.

9. Turn the ignition switch to ON (II), then reinstall the client's original navigation DVD, verifying that the DVD is free of scratches or smudges.

10. Check any official Honda service website for more service information about patches for the navigation system. Apply any prescribed patches to the new navigation unit.

NOTE: Simply transferring the navigation DVD from the original navigation unit to the new navigation unit does not assure the correct software for the vehicle will be loaded into the new navigation unit. Doing the navigation DVD transfer without doing software patches may cause the new navigation unit to appear to be malfunctioning.

11. Enter the new navigation anti-theft code.

12. Park the vehicle outside, and do the GPS initialization.

13. Give the new navigation anti-theft code to the client.