lemon-mirror:
Home >> Acura >> 2010 >> MDX V6-3.7L >> Repair and Diagnosis >> Maintenance >> Fluids >> Specifications

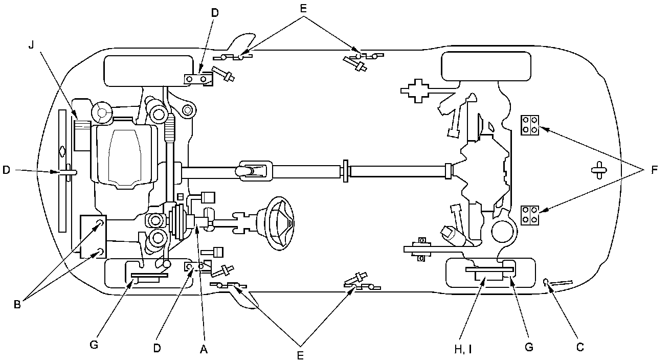
Fluids: Specifications




Lubricants and Fluids










For the details of the lubrication points and the type of lubricants to be applied, refer to the illustrated index and the various work procedures (such as Assembly/Reassembly, Replacement, Overhaul, Installation, etc.) contained in each section.





NOTE:

- Lubricate the following areas using the recommended lubricants and fluids.
- In corrosive areas, more frequent lubrication is necessary.