lemon-mirror:
Home >> Acura >> 2009 >> RL V6-3.7L >> Repair and Diagnosis >> Maintenance >> Fluids >> Specifications

Fluids: Specifications




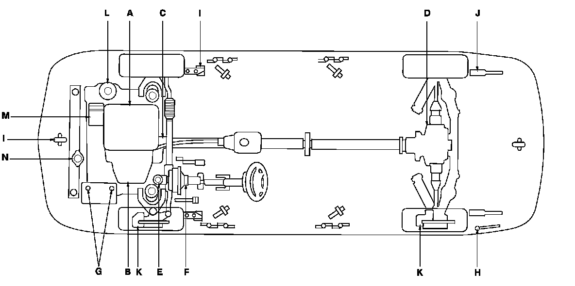
Lubricants and Fluids

For details of the lubrication points and type of lubricants to be applied, refer to the illustrated index and various work procedures (such as Assembly/Reassembly, Replacement, Overhaul, Installation, etc.) contained in each section.