lemon-mirror:
Home >> Acura >> 2009 >> MDX V6-3.7L >> Repair and Diagnosis >> Heating and Air Conditioning >> Humidity Sensor >> Locations

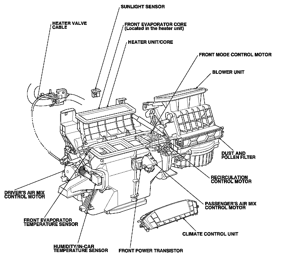
Humidity Sensor: Locations




Climate Control System Component Location Index