lemon-mirror:
Home >> Acura >> 2008 >> TSX L4-2.4L >> Repair and Diagnosis >> Powertrain Management >> Computers and Control Systems >> Data Link Connector >> Locations

Data Link Connector: Locations

52. Under Left Side Of Dash:



PGM-FI System Component Location Index:



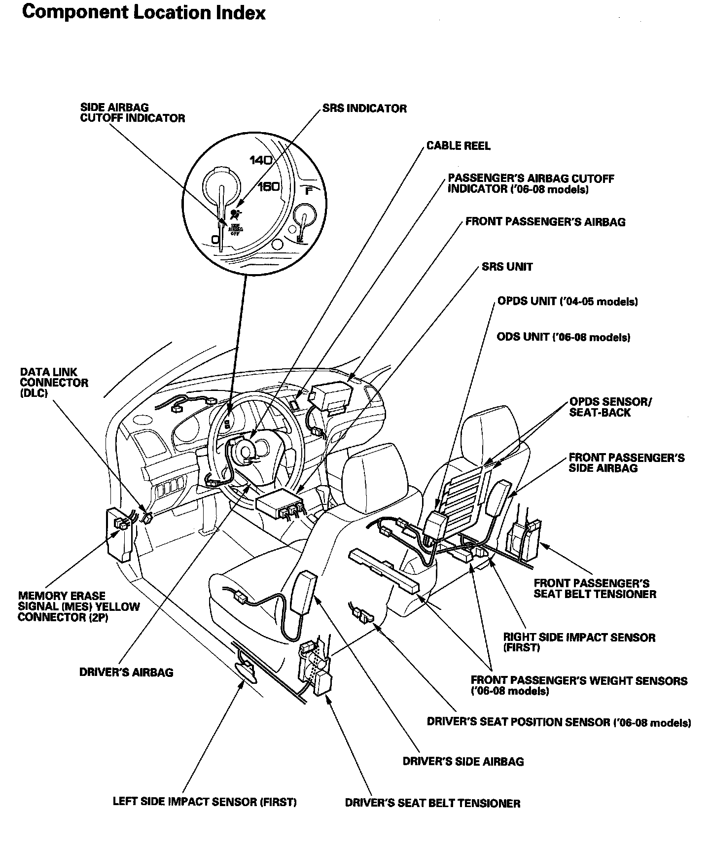
SRS Component Location Index: