lemon-mirror:
Home >> Acura >> 2008 >> TL V6-3.2L >> Repair and Diagnosis >> Powertrain Management >> Computers and Control Systems >> Fuel Tank Pressure Sensor >> Service and Repair

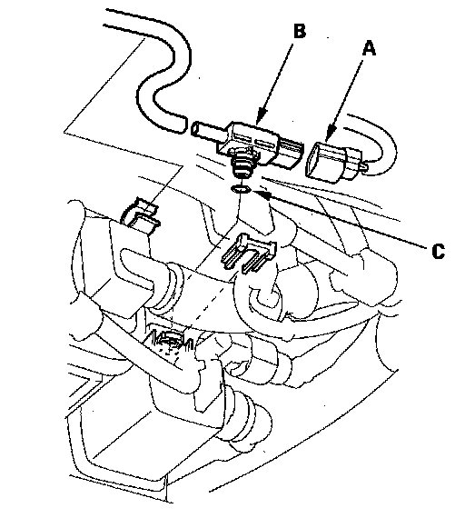
Fuel Tank Pressure Sensor: Service and Repair

FTP Sensor Replacement

1. Disconnect FTP sensor 3P connector (A).






2. Remove the FTP sensor (B).
3. Install the parts in the reverse order of removal with a new O-ring (C).