lemon-mirror:
Home >> Acura >> 2008 >> TL V6-3.2L >> Repair and Diagnosis >> Diagrams >> Electrical Diagrams >> Memory Positioning Systems >> Driving Position Memory System (DPMS) Circuit Diagram

Driving Position Memory System (DPMS) Circuit Diagram

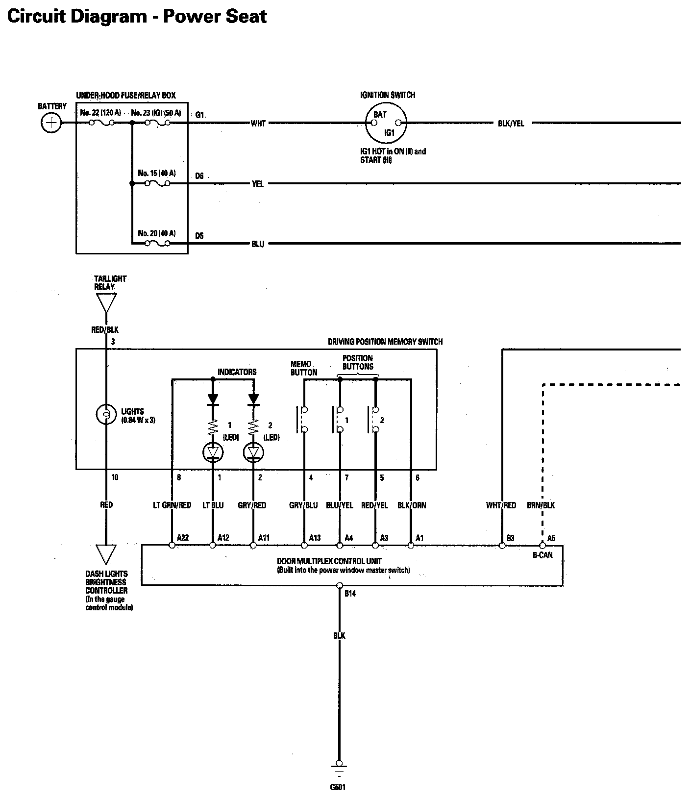
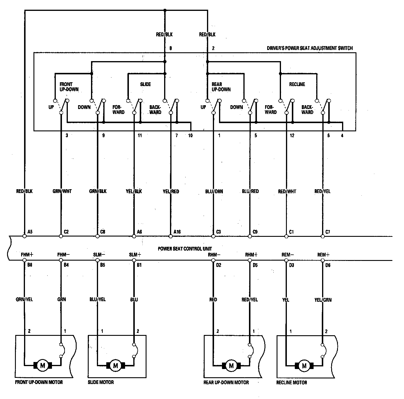
Driving Position Memory System (DPMS) Circuit Diagram Part 1:



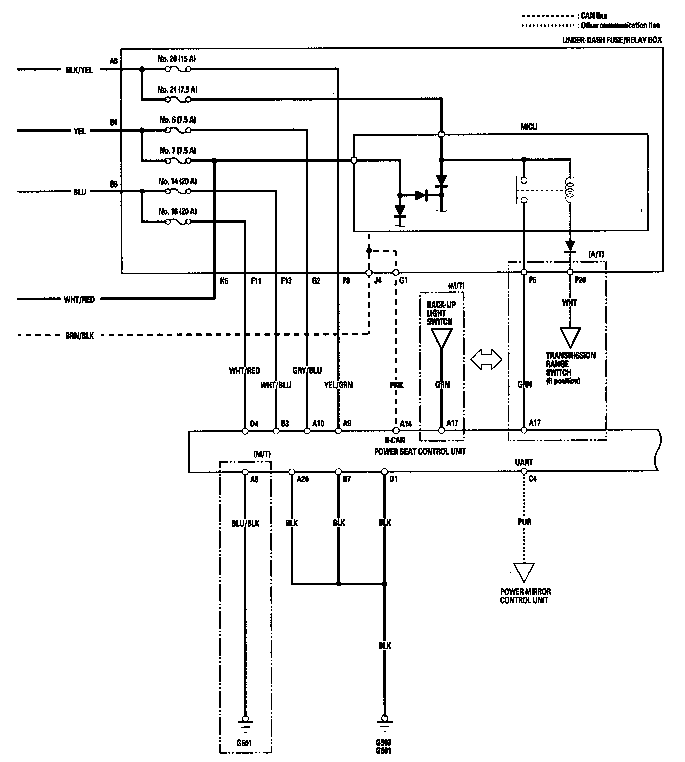
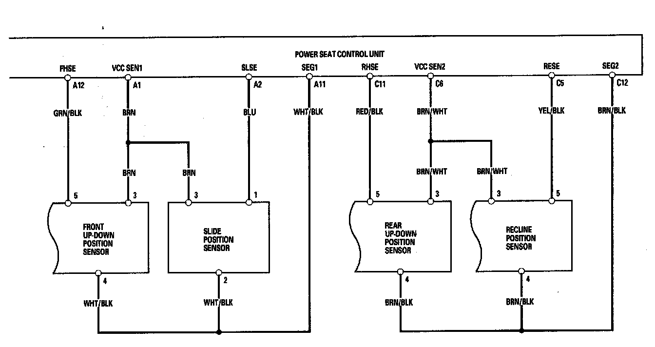
Driving Position Memory System (DPMS) Circuit Diagram Part 2:



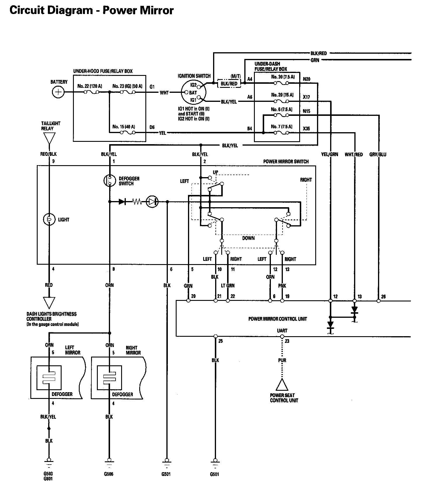
Driving Position Memory System (DPMS) Circuit Diagram Part 3:



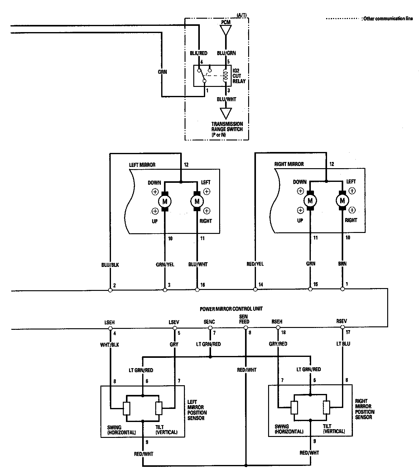
Driving Position Memory System (DPMS) Circuit Diagram Part 4:



Driving Position Memory System (DPMS) Circuit Diagram Part 5:



Driving Position Memory System (DPMS) Circuit Diagram Part 6: