lemon-mirror:
Home >> Acura >> 2008 >> RL V6-3.5L >> Repair and Diagnosis >> Diagrams >> Electrical Diagrams >> Memory Positioning Systems >> Driving Position Memory System (DPMS) Circuit Diagram

Driving Position Memory System (DPMS) Circuit Diagram

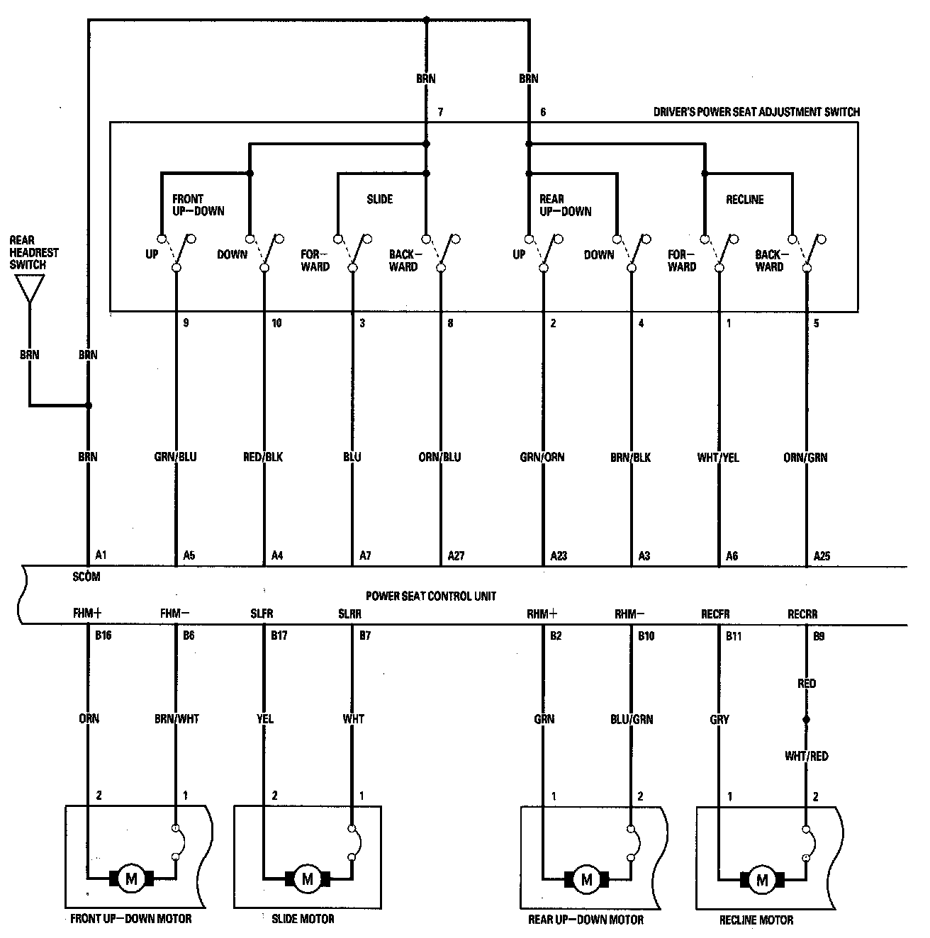
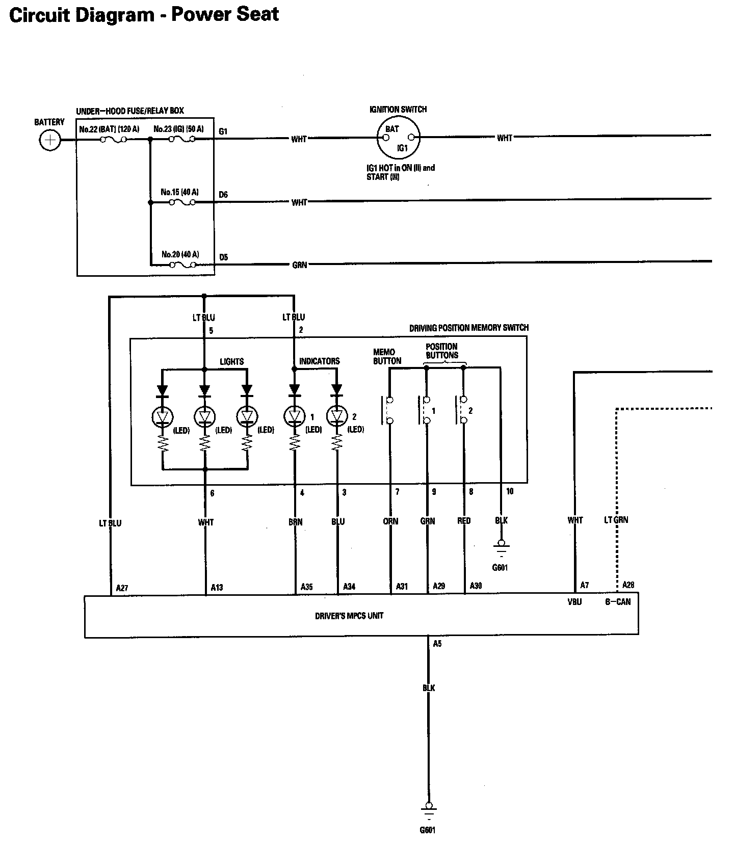
Driving Position Memory System (DPMS) Circuit Diagram Part 1:



Driving Position Memory System (DPMS) Circuit Diagram Part 2:



Driving Position Memory System (DPMS) Circuit Diagram Part 3:



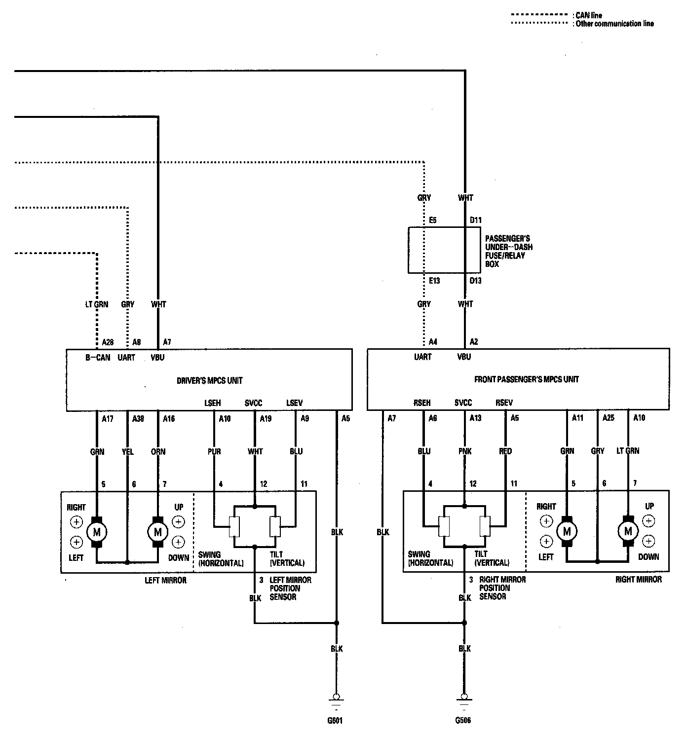
Driving Position Memory System (DPMS) Circuit Diagram Part 4:



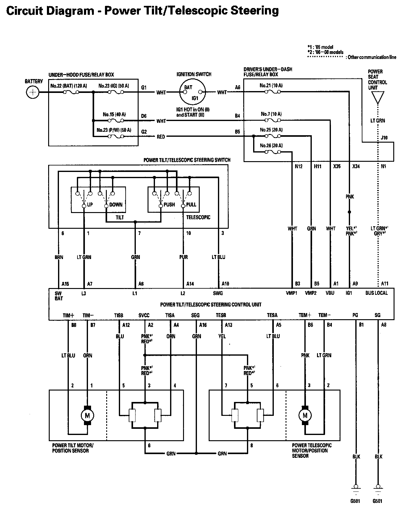
Driving Position Memory System (DPMS) Circuit Diagram Part 5:



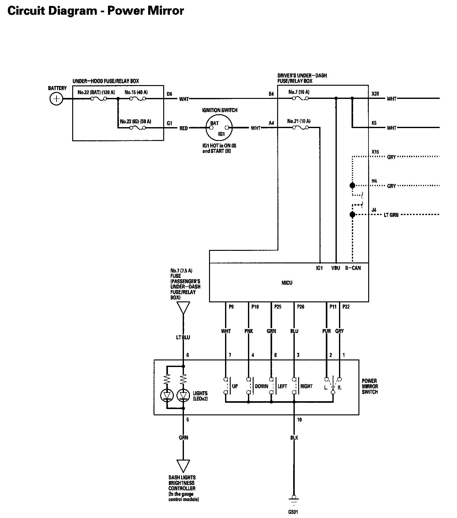
Driving Position Memory System (DPMS) Circuit Diagram Part 6:



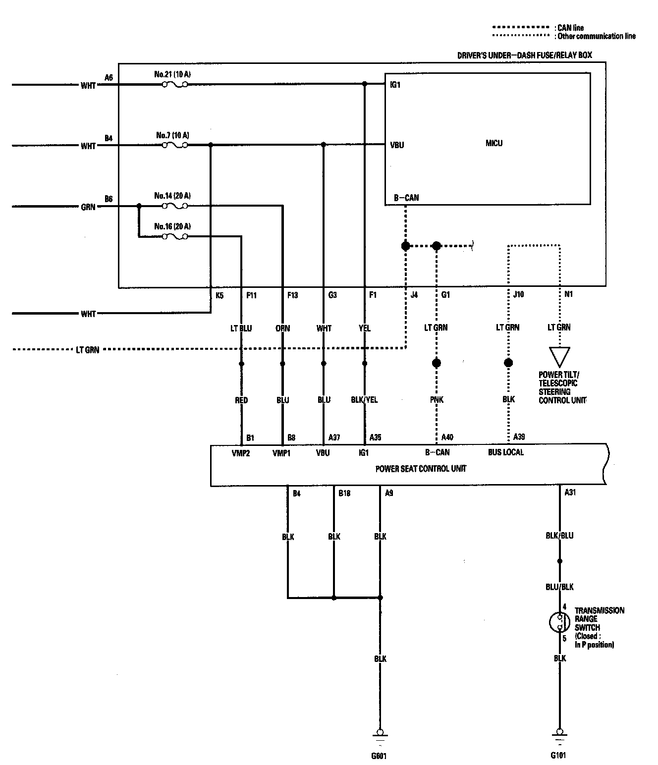
Driving Position Memory System (DPMS) Circuit Diagram Part 7: