lemon-mirror:
Home >> Acura >> 2008 >> RL V6-3.5L >> Repair and Diagnosis >> Cruise Control >> Cruise Control Module >> Service and Repair

Cruise Control Module: Service and Repair

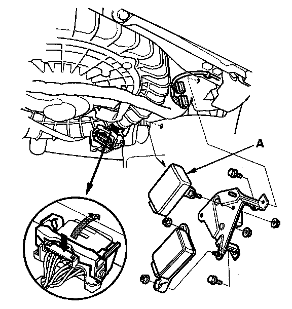
Adaptive Cruise Control (ACC) Unit Removal/Installation

1. Remove the glove box.
2. Remove the passenger's under-dash fuse/relay box.
3. Remove the bolts from the bracket that holds the hands free link control unit, the throttle actuator control module, and the ACC unit (A).






4. Disconnect the connectors from the control units.
5. Remove the ACC unit from the bracket.
6. install the unit in the reverse order of removal.

NOTE: If a new ACC unit is installed, do the CMBS initial check (DTC 100).