lemon-mirror:
Home >> Acura >> 2008 >> MDX V6-3.7L >> Repair and Diagnosis >> Transmission and Drivetrain >> Automatic Transmission/Transaxle >> Control Module >> Testing and Inspection >> Programming and Relearning

Programming and Relearning

PCM Updating and Substitution for Testing

Special Tools Required (Any one of the update tools below)
^ Honda diagnostic system (HDS) tablet tester
^ HDS pocket tester
^ Honda interface module (HIM) and an iN workstation with HDS and CM update software
^ GNA600 and an iN workstation with HDS and CM update software

How to Update the PCM

NOTE:
^ Use this procedure when you have to update the PCM during troubleshooting procedures.
^ Make sure the HDS/HIM has the latest software version downloaded from the IN (Interactive Network).
^ Before you update the PCM, and connect a jumper battery (not a battery charger) to maintain system voltage.
^ Never turn the ignition switch to LOCK (0) during the update. If there is a problem with the update, leave the ignition switch to ON (II).
^ To prevent PCM damage, do not operate anything electrical (headlights, audio system, brakes, A/C, power windows, moonroof, door locks, and whatnot) during the update.
^ To ensure the latest program is installed, do a PCM update whenever the PCM is substituted or replaced.
^ You cannot update a PCM with a program it already has. It will only accept a new program.
^ High temperature in the engine compartment might cause the PCM to become too hot to run the update. If the engine has been running before this procedure, open the hood and cool the engine compartment.
^ If you need to diagnose the Honda interface module (HIM) because the HIM's red (# 3) lamp came on or was flashed during the update, leave the ignition switch to ON (II) when you disconnect the HIM from the data link connector (DLC). This will prevent PCM damage.

1. Turn the ignition switch to ON (II), but do not start the engine.
2. Connect the HDS to the DLC (A).





3. Make sure the HDS communicates with the PCM. If it doesn't, go to the DLC circuit troubleshooting. If you are returning from the DLC circuit troubleshooting, skip steps 4 and 5, and clean the throttle body after you update the PCM.
4. Select the INSPECTION MENU with the HDS.
5. Select the TCS TEST, then select the TP POSITION CHECK, and follow the HDS screen prompts.

NOTE: If the TP POSITION CHECK indicates FAILED, continue this procedure.

6. Exit the HDS, then select the CM update, and follow the screen prompts to update the PCM.
7. If the PCM has the least software, disconnect the HDS/HIM from the DLC, and go back to the procedure then you were doing. If the software in the PCM is not the latest, follow the instructions on the screen. If prompted to select the PGM-FI system or the A/T system, make sure you update both

NOTE: If the PCM update procedure requires you to cool the PCM, follow the instructions on the screen. If you run into a problem during the update procedure (programming takes over 15 minutes, status bar goes over 100%, D or immobilizer light flashes, HDS tablet freezes, etc.), follow these steps to minimize the chance of damaging the PCM:

^ Leave the ignition switch to ON (II).
^ Connect a jumper battery (do not connect a battery charger).
^ Shut down the HDS.
^ Disconnect the HDS from the DLC.
^ Reboot the HDS.
^ Reconnect the HDS to the DLC, and try the update procedure again.

8. Select the TCS TEST, then select the TP POSITION CHECK, and follow the HDS screen prompts. If the TP POSITION CHECK failed, clean the throttle body.
9. Do the PCM idle learn procedure.
10. Do the CKP learn procedure.

How to Substitute the PCM
1. Make sure you have the anti-theft codes for the audio system and the navigation system (equipped).
2. Turn the ignition switch to LOCK (0).
3. Connect the HDS to the DLC (A).





4. Turn the ignition switch to ON (II).
5. Make sure the HDS communicates with the PCM. If it doesn't, go to the DLC circuit troubleshooting. If you are returning from the DLC circuit troubleshooting, skip steps 5 to 6, and clean the throttle body after substituting the PCM.
6. Select the INSPECTION MENU with the HDS.
7. Select the TCS TEST, then select the TP POSITION CHECK, and follow the HDS screen prompts.

NOTE: If the TP POSITION CHECK indicates FAILED, continue this procedure.

8. Turn the ignition switch to LOCK (0).
9. Disconnect the negative cable from the battery, then disconnect the positive cable.
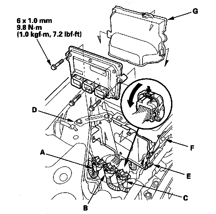
10. Remove the bracket (D), then free the A/C discharge line from the clip (E). Remove the A/C suction line mounting bracket bolt (F).





11. Remove the PCM cover (G), disconnect PCM connectors A, B, and C, and remove the mounting bolts, then remove the PCM.
12. Install the PCM and battery cables in the reverse order of removal.
13. Turn the ignition switch to ON (II).

NOTE: If DTC P0630 "VIN not Programmed or Mismatch" will be stored because the VIN has not been programmed into the PCM; ignore it, and continue this procedure.

14. Manually input the VIN to the PCM with the HDS.
15. Update the PCM if it does not have the latest software.
16. Select the IMMOBI SYSTEM with the HDS.
17. Enter the immobilizer code using the PCM replacement procedure in the HDS; this allows you to start the engine.
18. Reset the PCM with the HDS.
19. Select the TCS TEST, then select the TP POSITION CHECK, and follow the HDS screen prompts. If the TP POSITION CHECK failed, clean the throttle body.
20. Do the PCM idle learn procedure.
21. Do the CKP learn procedure.
22. Enter the anti-theft codes for the audio system and the navigation system (equipped). Set the clock (on vehicle without navigation).
23. Do the steering column position memorization.
24. Do the power window control unit reset procedure.