lemon-mirror:
Home >> Acura >> 2008 >> MDX V6-3.7L >> Repair and Diagnosis >> Diagrams >> Electrical Diagrams >> Memory Positioning Systems >> Driving Position Memory System (DPMS) Circuit Diagram

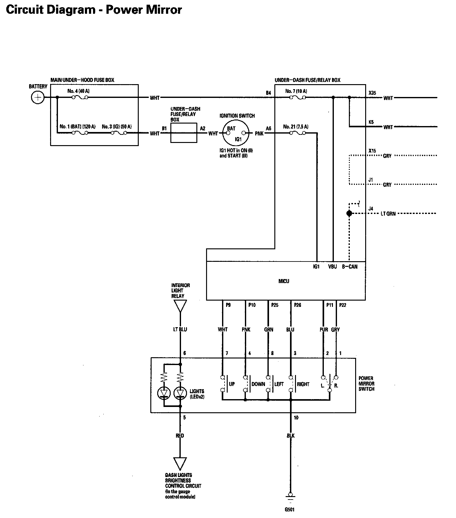
Driving Position Memory System (DPMS) Circuit Diagram

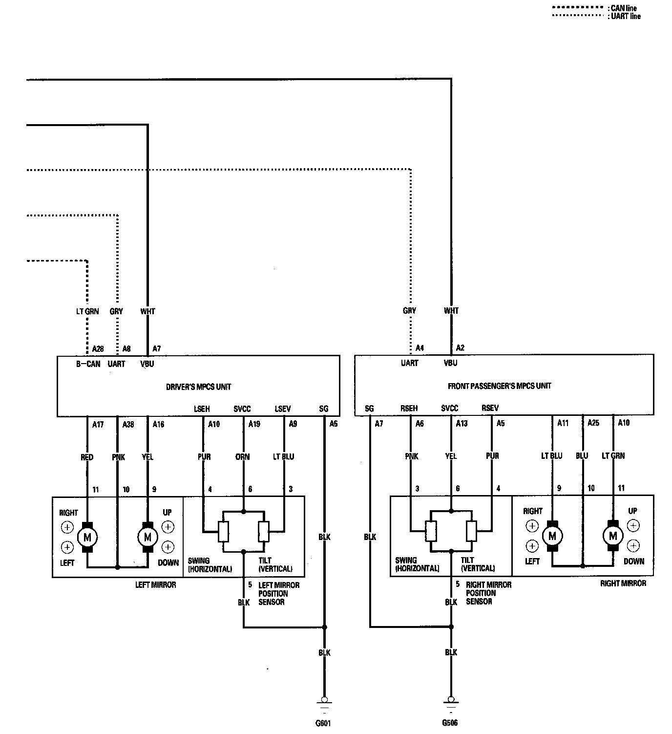
Driving Position Memory System (DPMS) Circuit Diagram (Part 1):



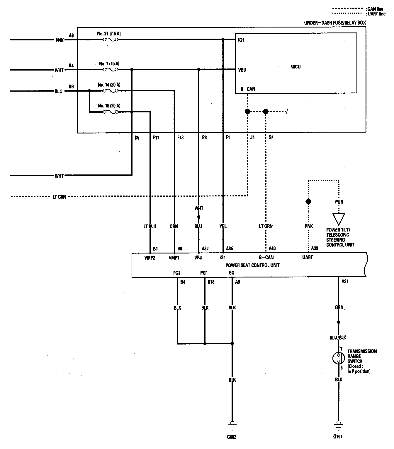
Driving Position Memory System (DPMS) Circuit Diagram (Part 2):



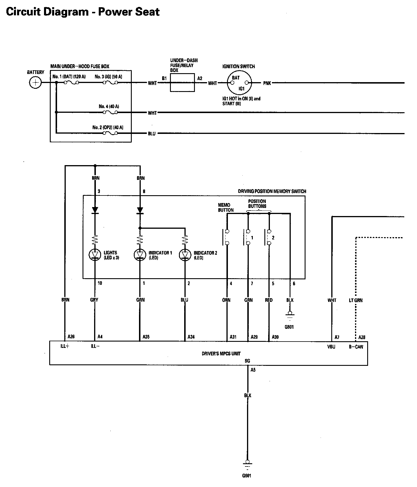
Driving Position Memory System (DPMS) Circuit Diagram (Part 3):



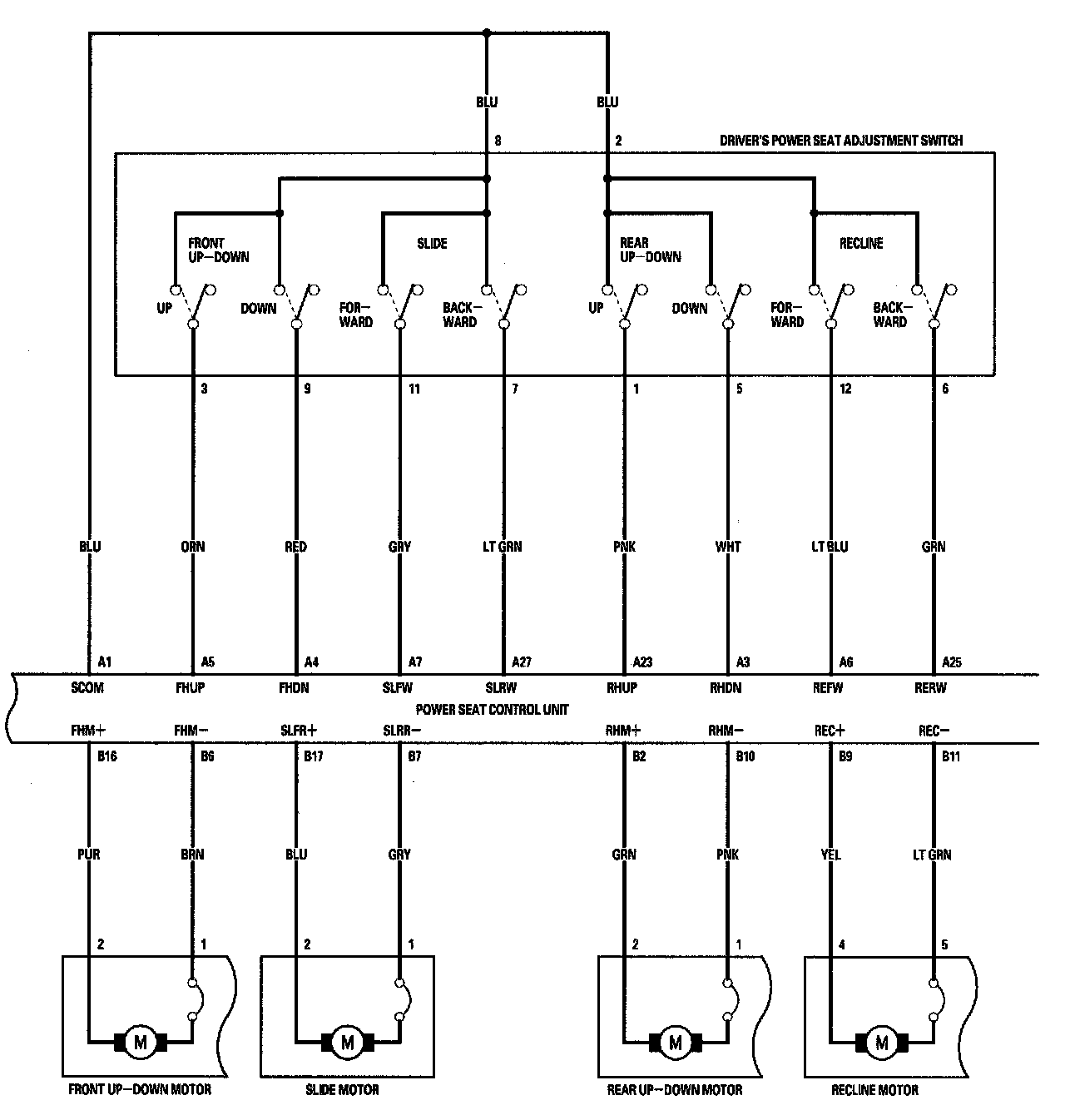
Driving Position Memory System (DPMS) Circuit Diagram (Part 4):



Driving Position Memory System (DPMS) Circuit Diagram (Part 5):



Driving Position Memory System (DPMS) Circuit Diagram (Part 6):



Driving Position Memory System (DPMS) Circuit Diagram (Part 7):