lemon-mirror:
Home >> Acura >> 2007 >> TSX L4-2.4L >> Repair and Diagnosis >> Specifications >> Mechanical Specifications >> Engine >> System Specifications >> Tightening Torque

Tightening Torque

Cylinder Head

Measure the diameter of each cylinder head bolt at point A and point B.





If either diameter is less than 10.6 mm (0.42 inch), replace the cylinder head bolt.

Tighten the cylinder head bolts in sequence 39 Nm (4.0 kgf-m, 29 ft. lbs.)

Use a beam-type torque wrench. When using a preset-type torque wrench, be sure to tighten slowly and do not overtighten. If a bolt makes any noise while you are torquing it, loosen the bolt and retighten it from the first step.





After torquing, tighten all cylinder head bolts in two steps (90° per step). If you are using a new cylinder head bolt, tighten the bolt an extra 90°.


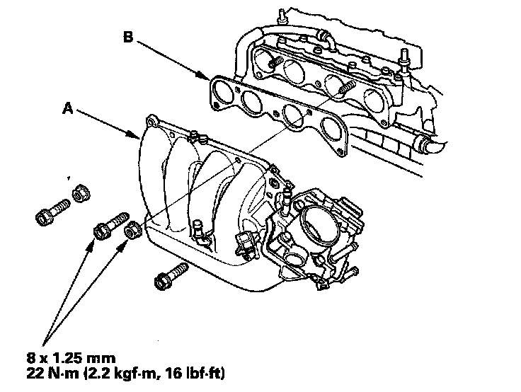
Intake Manifold






Install the intake manifold (A) with a new gasket (B), and tighten the bolts/nuts in a crisscross pattern in two or three steps, beginning with the inner bolt.


Main Bearing Cap





Tighten the bearing cap bolts in sequence to 29 Nm (3.0 kgf-m, 22 ft. lbs.)

Tighten the bearing cap bolts an additional 56°.


Connecting Rod Bearing Cap

Install the caps and bolts finger-tight.

Tighten the connecting rod bolts 36 Nm (3.7 kgf-m, 27 ft. lbs.)

Tighten the connecting rod bolts an additional 120°

Remove the connecting rod bolt if you tightened it beyond the specified angle. Do not loosen it back to the specified angle.


Crankshaft Pulley
Tighten the bolt 49 Nm (5.0 kgf-m, 36 ft. lbs.), and an additional 90°


Oil Pump






Exhaust Manifold





Install the exhaust manifold and tighten the bolts/nuts in a crisscross pattern in two or three steps, beginning with the inner nut.


Water Pump