lemon-mirror:
Home >> Acura >> 2007 >> TL V6-3.2L >> Repair and Diagnosis >> Powertrain Management >> Computers and Control Systems >> Fuel Tank Pressure Sensor >> Service and Repair

Fuel Tank Pressure Sensor: Service and Repair

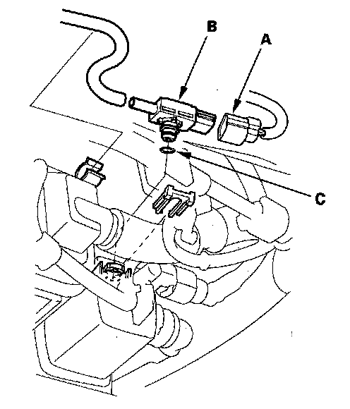
FTP Sensor Replacement




1. Disconnect FTP sensor 3P connector (A).
2. Remove the FTP sensor (B).
3. Install the parts in the reverse order of removal with a new O-ring (C).