lemon-mirror:
Home >> Acura >> 2007 >> RL V6-3.5L >> Repair and Diagnosis >> Cruise Control >> Distance Sensor >> Adjustments

Distance Sensor: Adjustments

Millimeter Wave Radar Unit Aiming

Special Tools Required
Radar aimer set 070AJ- SDA0100




Prepare the items shown:
- HDS
- Level (commercially available)
- Tape measure and scale
- String (about 33 ft (10 m) length)
- String with a plumb bob
- Ballpoint pen
- Tape

NOTE: If the millimeter wave radar unit is removed or replaced, or if a millimeter wave radar unit aiming error occurs, aim the millimeter wave radar unit. Incomplete aiming, an aiming error, or dust or dirt on the radar unit surface causes the adaptive cruise control (ACC) indicator to come on.
- Millimeter wave radar unit aiming incomplete: DTC 107
- Millimeter wave radar unit aiming error: DTC 63
- Millimeter wave radar unit or emblem surface is contaminated with dust, dirt, ice, or snow: DTC 105

Before Aiming:
- Aiming the millimeter wave radar unit requires the HDS.
- Clean the surface of the millimeter wave radar unit.
- Make sure the vehicle has no aftermarket suspension.
- Make sure all the tire sizes are correct and that their pressure is correct.
- Make sure the fuel tank is full.
- Remove all baggage from the vehicle except the spare tire and the tool kit.
- Make sure the steering wheel is straight ahead, and do not turn it after setting the vehicle.
- Shift transmission lever into P, and apply the parking brake.
- Make sure the upper grille and the front bumper are installed correctly.
- Park the vehicle on level ground in a wide open space to avoid misadjusting caused by reflecting objects. The space needs to be 32.8 ft (10 m) in front, 13.1 ft (4 m) in width and 4.9 ft (1.5 m) in height.
- If NO TARGET is not indicated even when there are no objects for 33 ft (10 m) in front vehicle, check for reflecting objects in front of the vehicle.

NOTE: When the millimeter wave radar unit is adjusted on ground that has more than 1 degrees of horizontal slope (drainage slope), the vertical aiming cannot be adjusted correctly. Check the levelness of the ground, and adjust the angle of millimeter wave radar unit to be parallel to that of the ground, lay a ruler (at least 12 inch) or other flat straight object on the ground and put the level on top to confirm the levelness of the ground.

Vertical Aiming

NOTE: When the millimeter wave radar unit is adjusted on ground that has more than 1 degrees of horizontal slope (drainage slope), the vertical aiming cannot be adjusted correctly. Check the levelness of the ground, and adjust the angle of millimeter wave radar unit to be parallel to that of the ground, lay a ruler (at least 12 inch) or other flat straight objects on the ground and put the level on top to confirm the levelness of the ground.

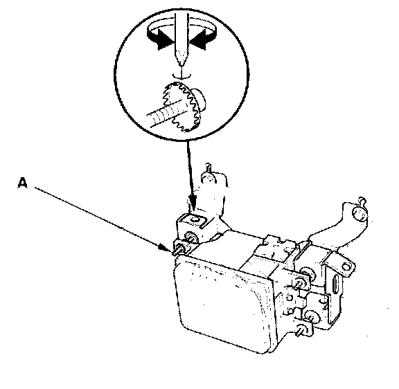
1. Remove the upper grill cover.




2. Put the level (A)(commercially available) on the aiming pad (B) of the millimeter wave radar unit.
3. Turn the vertical adjusting bolt (C) on the driver's side with a screwdriver, and adjust the angle of millimeter wave radar unit so that the air bubble in the level is centered.

Horizontal Aiming




1. Park the vehicle on level ground with at least this much open space around it: 32.8 ft (10 m) in front, 13.1 ft (4 m) in width, and 4.9 ft (1.5 m) in height.
2. Make sure there are no reflecting objects or anything in this range.
3. Check the tire pressures, and adjust the pressures to the specified value if need.
4. Put a person or an object equivalent to the driver's weight in the driver's seat.

Setting the Distance between the Target and the Vehicle

NOTE: When marking on the floor, use suitable tape to mark the exact locations.




5. Hang the plumb bob from the center line on the jacking pad (A) under the front of the vehicle (line up the plumb bob with the line on the jacking pad), and mark (B) the spot on the floor where the plumb bob touches the floor.




6. Hang the plumb bob from the center of the rear tow hook (A) on the vehicle centerline and mark (B) the spot on the floor where the plumb bob touches the floor.




7. Tape a string to the floor behind the vehicle aligned with point (B). Stretch the string forward to a point 16.4 ft (5 m) in front of the vehicle. Carefully align the string along point (B) and point (A) on the centerline of the vehicle and mark a new point (C) 16.4 ft (5 m) in front of the vehicle on the floor that is also on the centerline.

Horizontal Aiming




8. Connect the HDS to the data link connector (A).
9. Turn the ignition switch ON (II).
10. Check for DTCs with the HDS.

NOTE: If DTC 61 or DTC 62 is indicated, troubleshoot the indicated DTC first.

11. Start the engine.




12. Turn the adaptive cruise control (ACC) switch (A) on.




13. Select ADAPTIVE CRUISE CONTROL (ACC) from DRIVING SUPPORT menu. Select RADAR AIMING from ADJUSTMENT menu, the MID will indicate the number "4" on its display for 2 seconds then display "NO TARGET".




14. Make sure the MID indicates "NO TARGET" on its display.

NOTE: When the radar is aimed correctly the MID indicates "NO TARGET". If this is not indicated there is an unwanted radar reflection in front of the vehicle in the range of the radar.

Special Tools Set-up
15. Assemble the radar aimer set components




16. Adjust the tip of the height rod on the target to the center of the "A" emblem (A).




17. Move the radar target set (A) to the mark (D) you made on the floor in the step 7, and point the reflecting triangle (B) to the radar.

NOTE: Hang a plumb bob from the edge of the target assembly and align it with the mark (D) on the floor.




18. Confirm the result of the horizontal auto aiming following the onscreen instructions of the HDS.

NOTE: The result of all auto aiming can be confirmed by the HDS, by the figure and words displayed on the MID, or by the brake lights illuminating. When the figure is not in the range 100±2 or a tone is sounded by the vehicle when the aiming point is out of specification, or when the brake lights do not come on, the auto aiming is not completed correctly. If DTC 120, 121, 122, 123, or 124 is indicated, the aiming target is not set correctly. Reset the aiming target.




19. If the radar is not aligned in the range where the auto aiming works correctly, turn the horizontal adjusting bolt (A) and adjust the direction of the millimeter wave radar unit until it comes to within 100±1, as confirmed by the HDS, the MID display, or by the lighting of the brake lights.

NOTE: Do network in front of the millimeter wave radar unit (in the range of radar irradiation), because it detects your tools and your body, and the aiming can not be completed correctly.

Example 1: Out of the auto aiming range




The MID display "106" means the radar aim is 0.6 degree out of the range where auto aiming can work.

Example 2: In the auto aiming range




The MID display "100" means auto aiming can work.

20. After adjustment, confirm the MID display and the lighting of the brake lights, and finalize the horizontal aiming. (End the aiming process on the HDS).

NOTE: At the time of aiming termination, the implementation result of auto aiming is recorded. When aiming is finalized without the display of the car mark or if the adaptive cruise control (ACC) switch is pressed before the aiming is completed, DTC 107 is displayed to indicate incomplete aiming. If you need to cancel the aiming, turn the ignition switch off.

21. After aiming, clear the DTCs with the HDS.




DTCs (if the aiming is incomplete)

NOTE: If the aiming is incomplete, the MID indicates a DTC. The adaptive cruise control (ACC) unit does not store the DTC, and you can not read the DTCs with the HDS, so note the DTC before cycling the ignition key. If the aiming is finished while there is a DTC on the MID. DTC 107 is indicated to show the aiming is incomplete.