lemon-mirror:
Home >> Acura >> 2007 >> RDX L4-2.3L Turbo >> Repair and Diagnosis >> Diagrams >> Exploded Views >> Differential Assembly

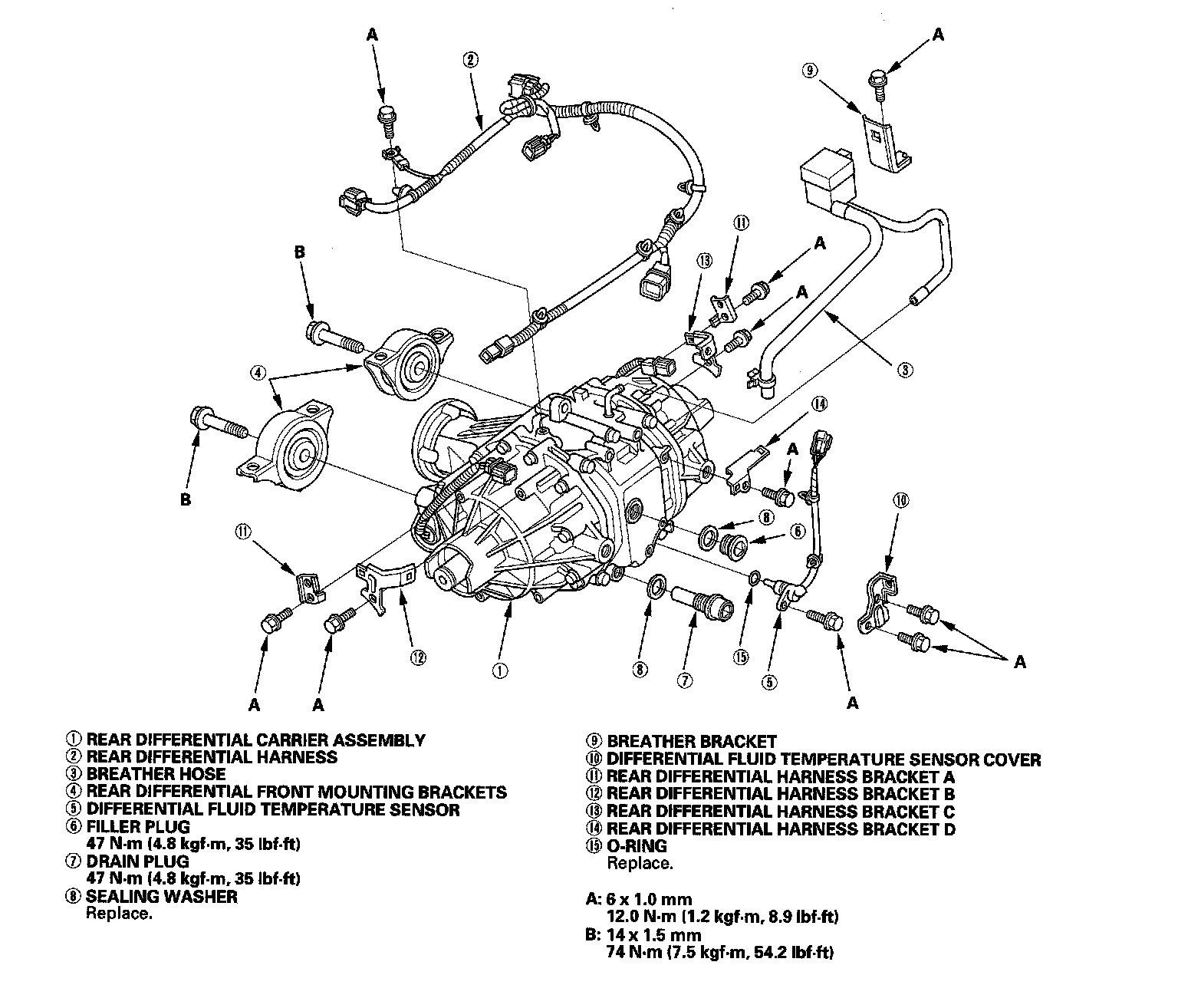
Differential Assembly

Rear Differential Disassembly/Reassembly

Rear Differential: