lemon-mirror:
Home >> Acura >> 2007 >> MDX V6-3.7L >> Repair and Diagnosis >> Heating and Air Conditioning >> Humidity Sensor >> Locations

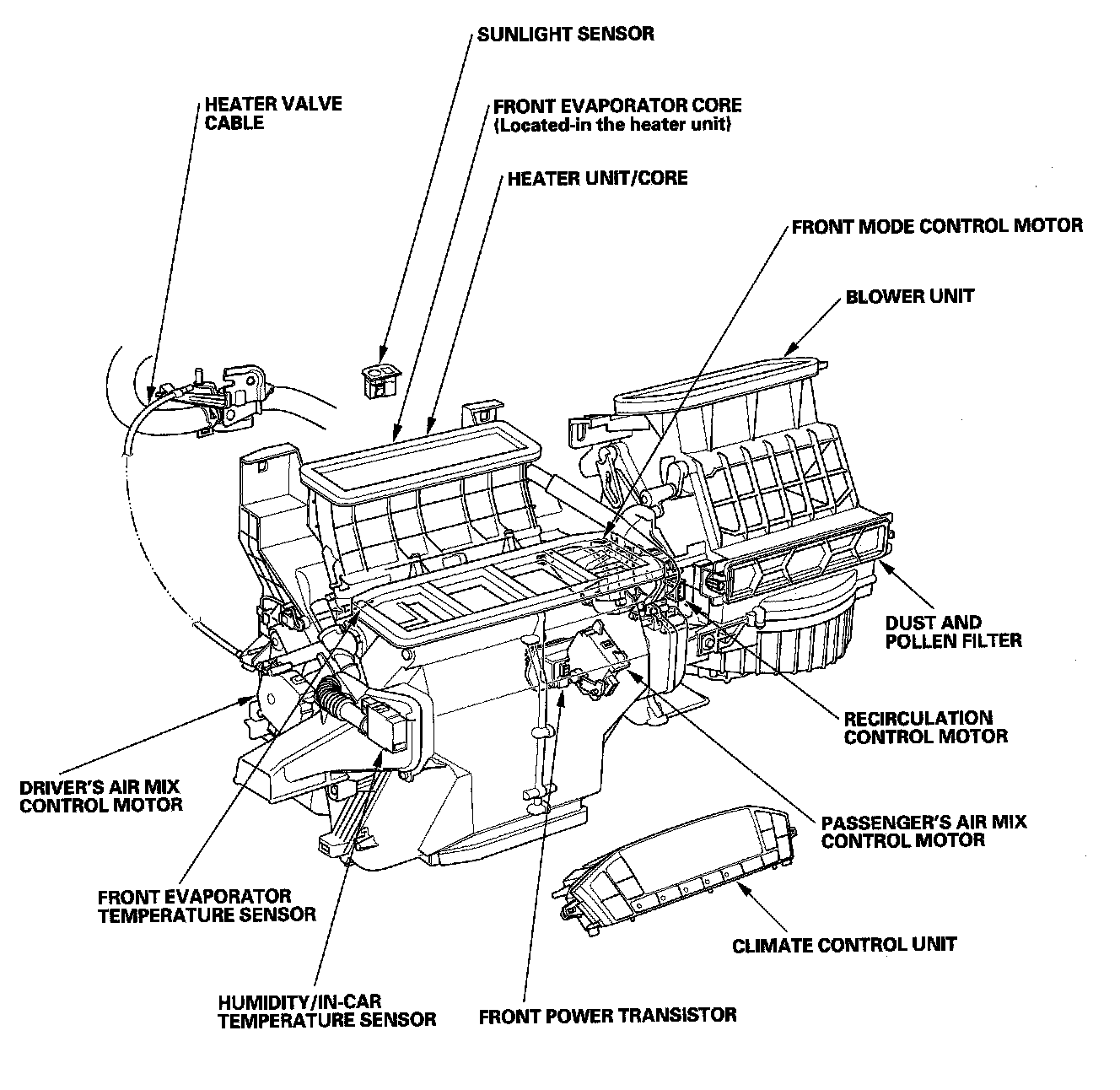
Humidity Sensor: Locations

Climate Control Component Location Index:



Exterior Lights Component Location Index: