lemon-mirror:
Home >> Acura >> 2006 >> MDX V6-3.5L >> Repair and Diagnosis >> Diagrams >> Exploded Views >> Cylinder Block Assembly >> System Diagram

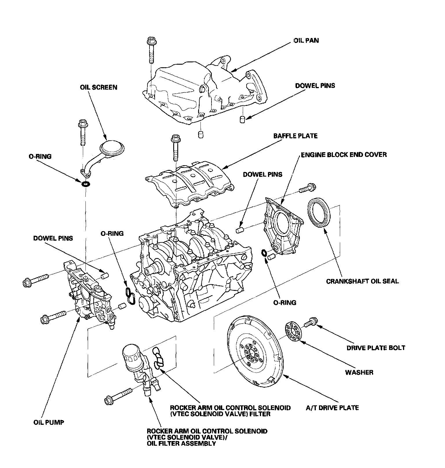
System Diagram

Engine Block Component Location Index:



Engine Block Component Location Index:



Engine Block Component Location Index: