lemon-mirror:
Home >> Acura >> 2005 >> TSX L4-2.4L >> Repair and Diagnosis >> Diagrams >> Exploded Views >> Engine >> Cylinder Block Assembly

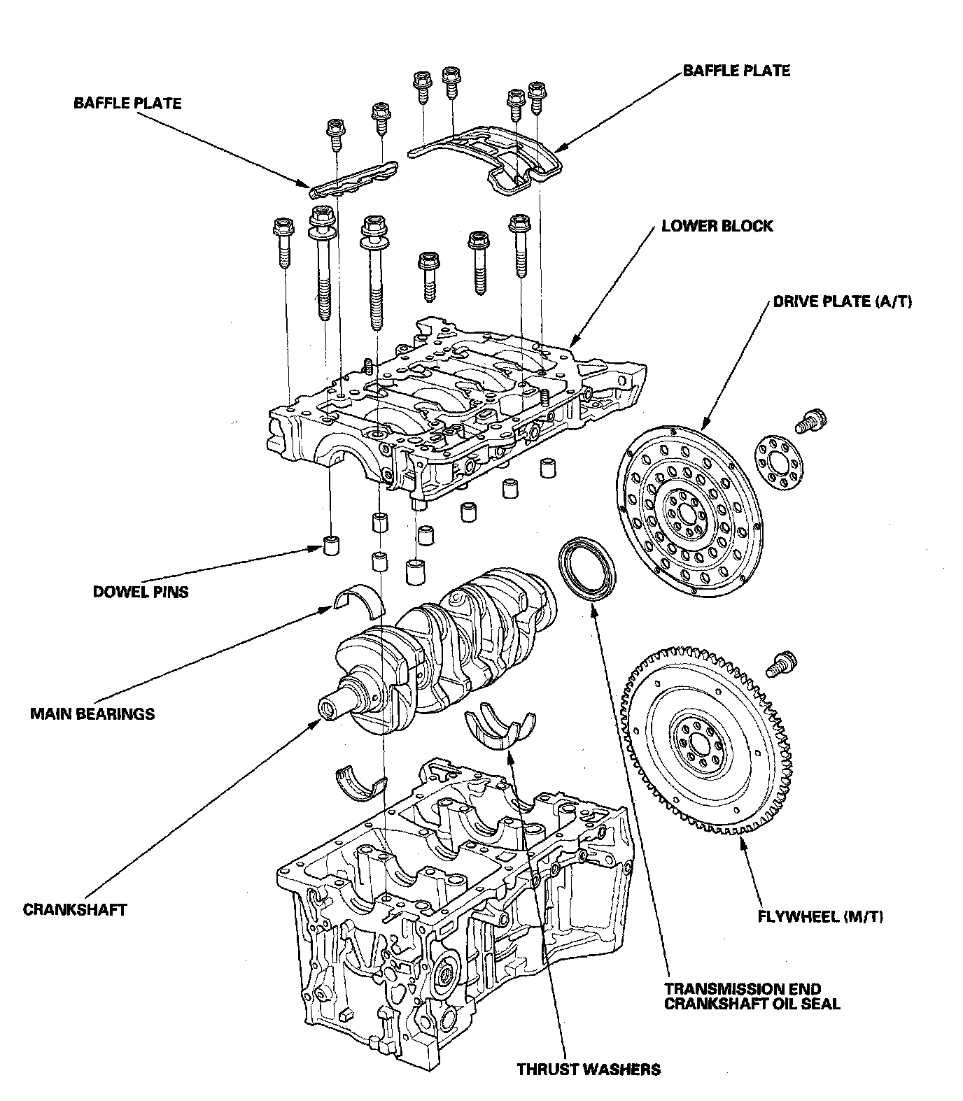
Cylinder Block Assembly