lemon-mirror:
Home >> Acura >> 2005 >> TL V6-3.2L >> Repair and Diagnosis >> Specifications >> Mechanical Specifications >> Engine >> Cylinder Block Assembly >> Connecting Rod, Engine

Connecting Rod, Engine

Connecting Rod
Pin-to-rod clearance
Standard or New 0.005 - 0.014 mm (0.0002 - 0.0006 inch)
Service Limit 0.019 mm (0.0007 inch)
Small-end bore diameter 21.970 - 21.976 mm (0.8650 - 0.8652 inch)
Large-end bore diameter (nominal) 58.0 mm (2.28 inch)
End play installed on crankshaft
Standard or New 0.15 - 0.35 mm (0.006 - 0.014 inch)
Service Limit 0.45 mm (0.018 inch)





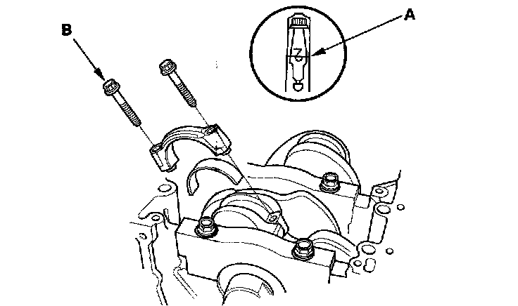
Line up the mark (A) on the connecting rod and cap, then install the cap.
Apply new engine oil to the bolt threads and flanges. Torque the bolts (B) to 20 Nm (2.0 kgf-m, 14 ft. lbs.).





Mark the connecting rod (A) and bolt head (B) as shown.
Tighten the bolt until the mark on the bolt head lines up with the mark on the connecting rod (turn the bolt 90°).

NOTE: Remove the connecting rod bolt if you tightened it beyond the specified angle, and go back to step 15 of the procedure. Do not loosen it back to the specified angle.