lemon-mirror:
Home >> Acura >> 2005 >> TL V6-3.2L >> Repair and Diagnosis >> Powertrain Management >> Computers and Control Systems >> Accelerator Pedal Position Sensor >> Service and Repair >> Accelerator Pedal Replacement

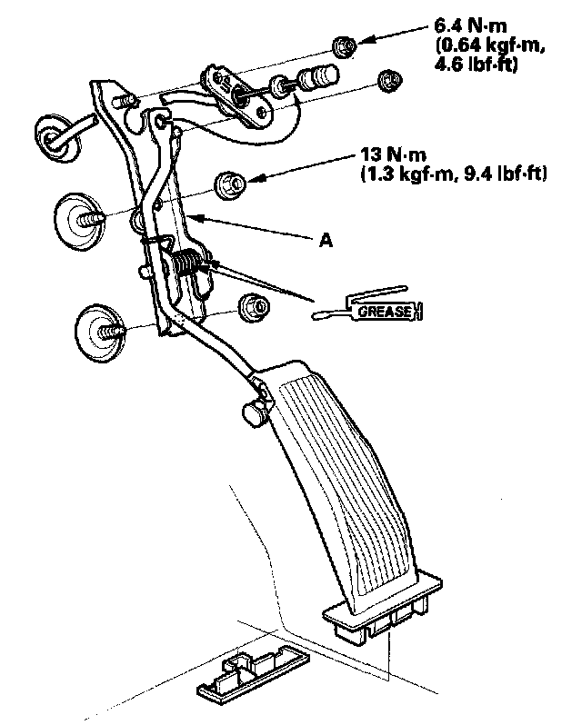
Accelerator Pedal Replacement

Accelerator Pedal Replacement

1. Remove the throttle cable from the accelerator pedal.




2. Remove the accelerator pedal bracket (A).
3. Install the accelerator pedal bracket in the reverse order of removal.