lemon-mirror:
Home >> Acura >> 2005 >> TL V6-3.2L >> Repair and Diagnosis >> Heating and Air Conditioning >> Control Assembly >> Locations

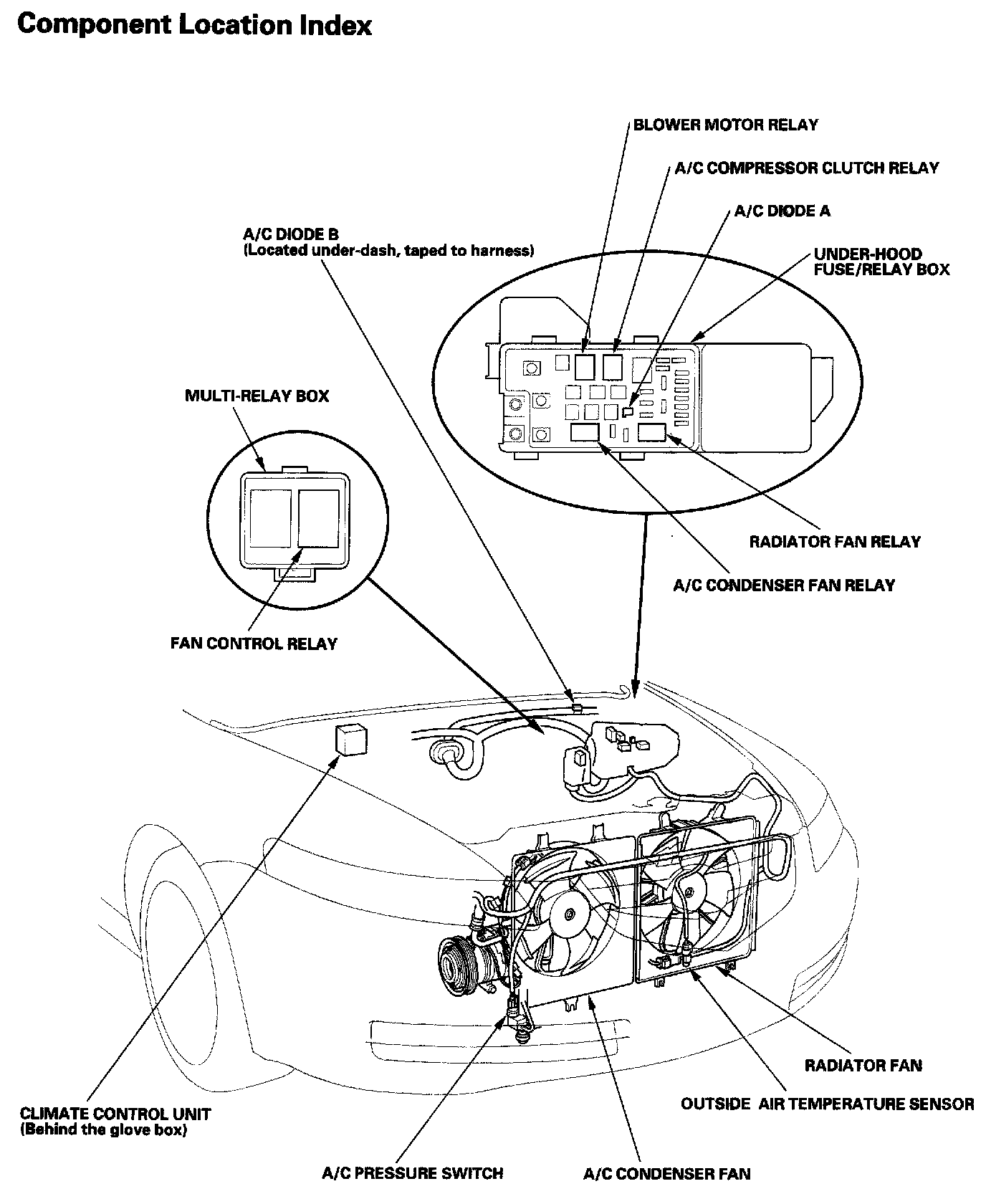
Control Assembly: Locations

Climate Control - Component Location Index:



165. Behind Right Side of Front Bumper: