lemon-mirror:
Home >> Acura >> 2005 >> TL V6-3.2L >> Repair and Diagnosis >> Diagrams >> Exploded Views >> Engine Lubrication >> Oil Pump, Engine

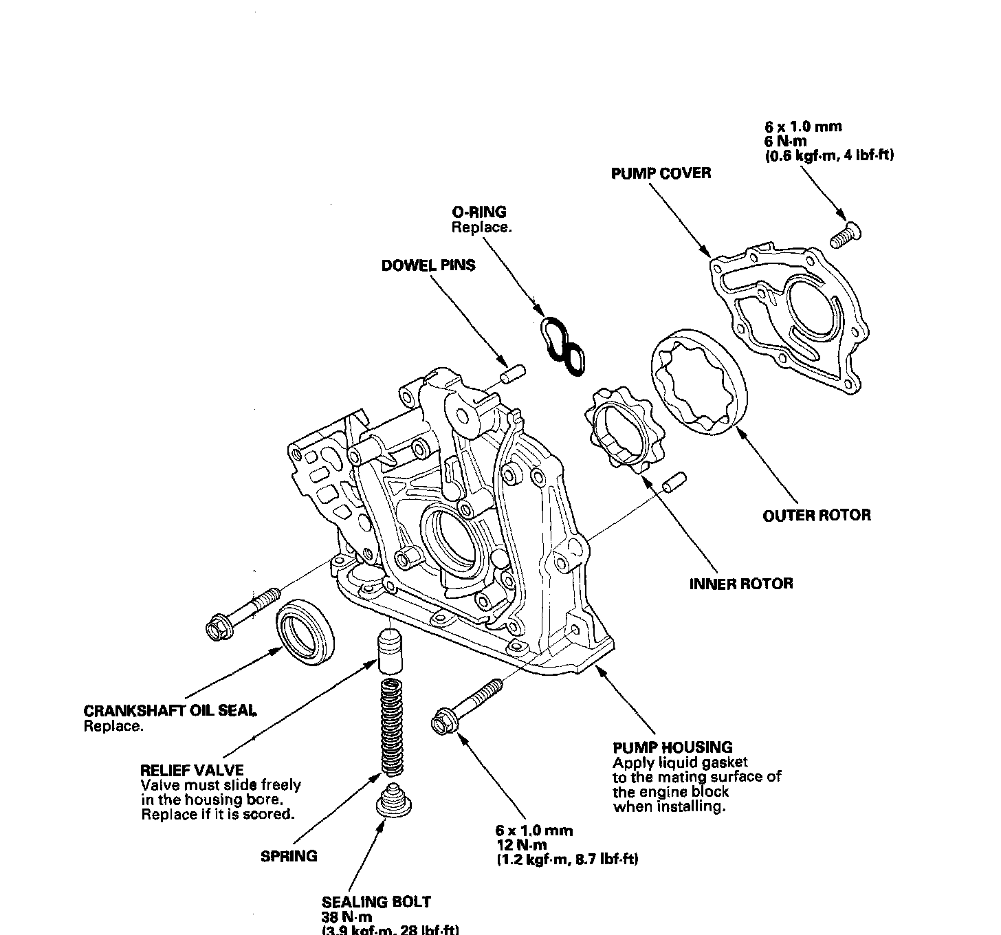
Oil Pump, Engine

Oil Pump: