lemon-mirror:
Home >> Acura >> 2005 >> RSX L4-2.0L >> Repair and Diagnosis >> Specifications >> Mechanical Specifications >> Engine >> Timing Components >> System Specifications

System Specifications





Timing Chain Tensioner

Crankshaft Pulley
Tighten the bolt to 49 Nm (5.0 kgf-cm, 36 ft. lbs.). with a torque wrench and 19 mm socket (C). Do not use an impact wrench.
- Then tighten the pulley bolt an additional 90°.





Timing Cover





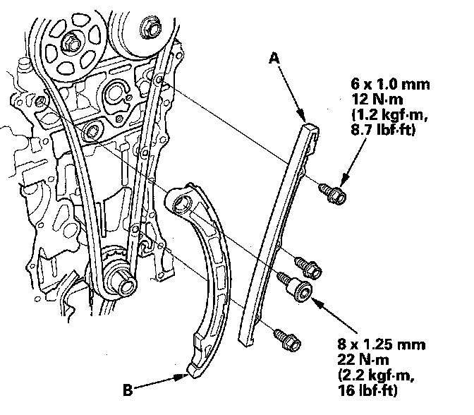
Cam chain guide (A) and tensioner arm (B)





Cam chain guide B