lemon-mirror:
Home >> Acura >> 2005 >> RSX L4-2.0L >> Repair and Diagnosis >> Specifications >> Mechanical Specifications >> Engine >> Intake Manifold

Intake Manifold

Intake Manifold
K20A3 Engine





Install the intake manifold (A), and tighten the bolts/nuts in a crisscross pattern in two or three steps, beginning with the inner bolt. Use new O-rings (B).

Throttle Body
8 x 1.25 mm 22 Nm (2.2 kgf-m, 16 ft. lbs.)

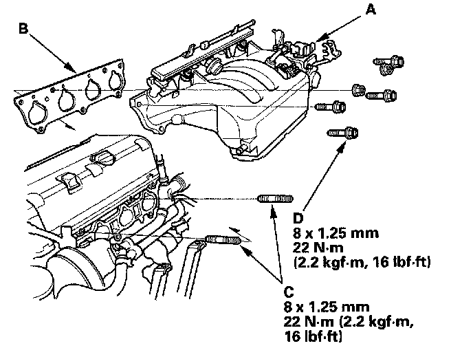
K20A2, K20Z1 Engines





Install the intake manifold (A) with a new gasket (B), then tighten the two stud bolts (C).
Tighten all intake manifold mounting bolts/nuts (D) in a crisscross pattern in two or three steps, beginning with the inner bolt.





Tighten the two bolts securing the intake manifold.

Throttle Body
8 x 1.25 mm 22 Nm (2.2 kgf-m, 16 ft. lbs.)