lemon-mirror:
Home >> Acura >> 2005 >> RSX L4-2.0L >> Repair and Diagnosis >> Diagrams >> Exploded Views >> Cylinder Block Assembly

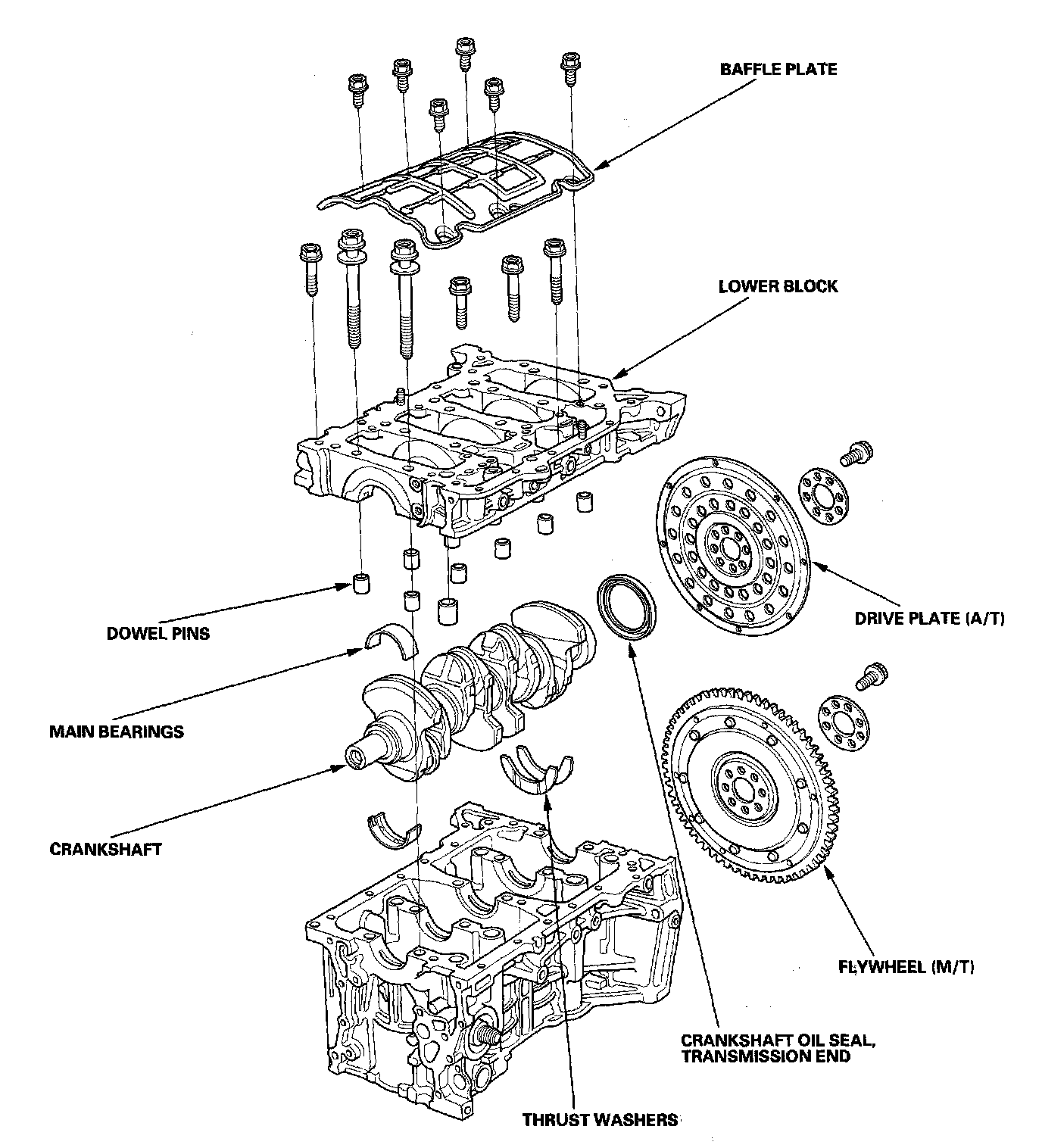
Cylinder Block Assembly