lemon-mirror:
Home >> Acura >> 2005 >> RL V6-3.5L >> Repair and Diagnosis >> Heating and Air Conditioning >> Control Assembly >> Locations

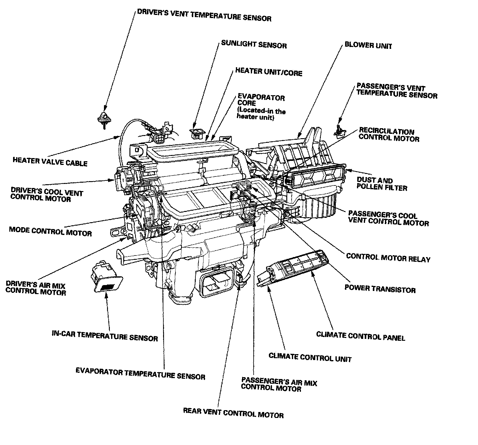
Control Assembly: Locations

Climate Control - Component Location Index:



80. Middle of Dash: