lemon-mirror:
Home >> Acura >> 2005 >> RL V6-3.5L >> Repair and Diagnosis >> Diagrams >> Connector Views >> Navigation System >> System Diagram

System Diagram

Navigation System - Circuit Diagram:



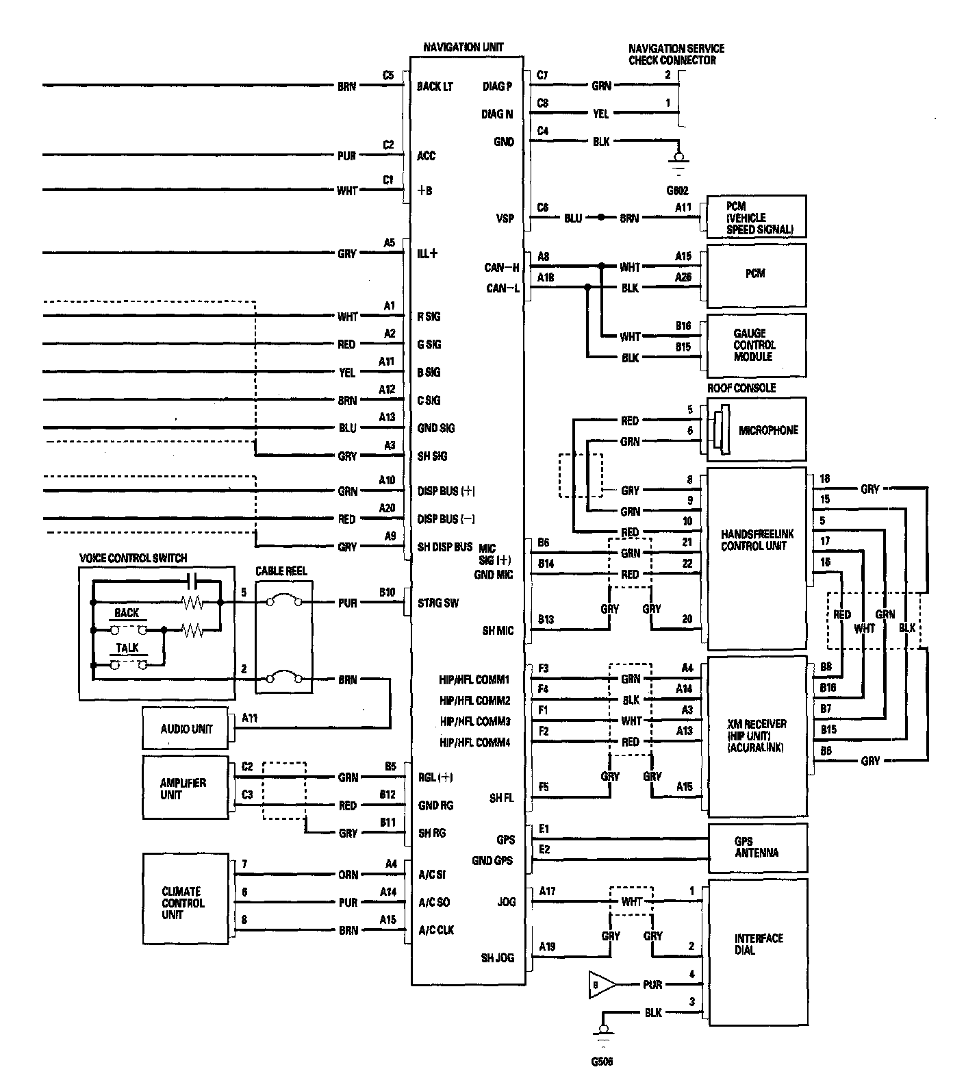
Navigation System With XM - Circuit Diagram Part 1:



Navigation System With XM - Circuit Diagram Part 2:



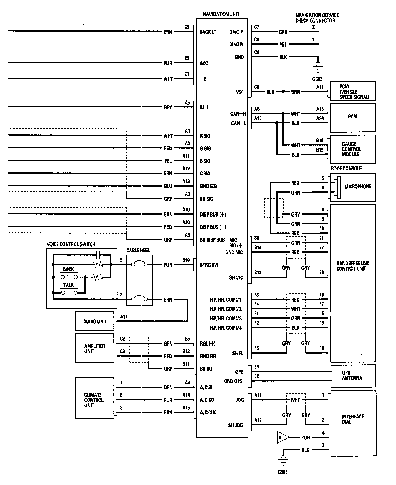
Navigation System Without XM - Circuit Diagram Part 1:



Navigation System Without XM - Circuit Diagram Part 2: