lemon-mirror:
Home >> Acura >> 2004 >> TSX L4-2.4L >> Repair and Diagnosis >> Heating and Air Conditioning >> Solar Sensor >> Locations

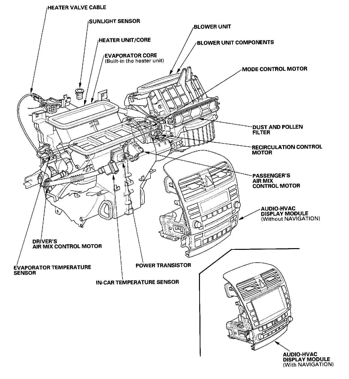
Solar Sensor: Locations

59. Middle Of Dash:



Climate Control - Component Location Index: