lemon-mirror:
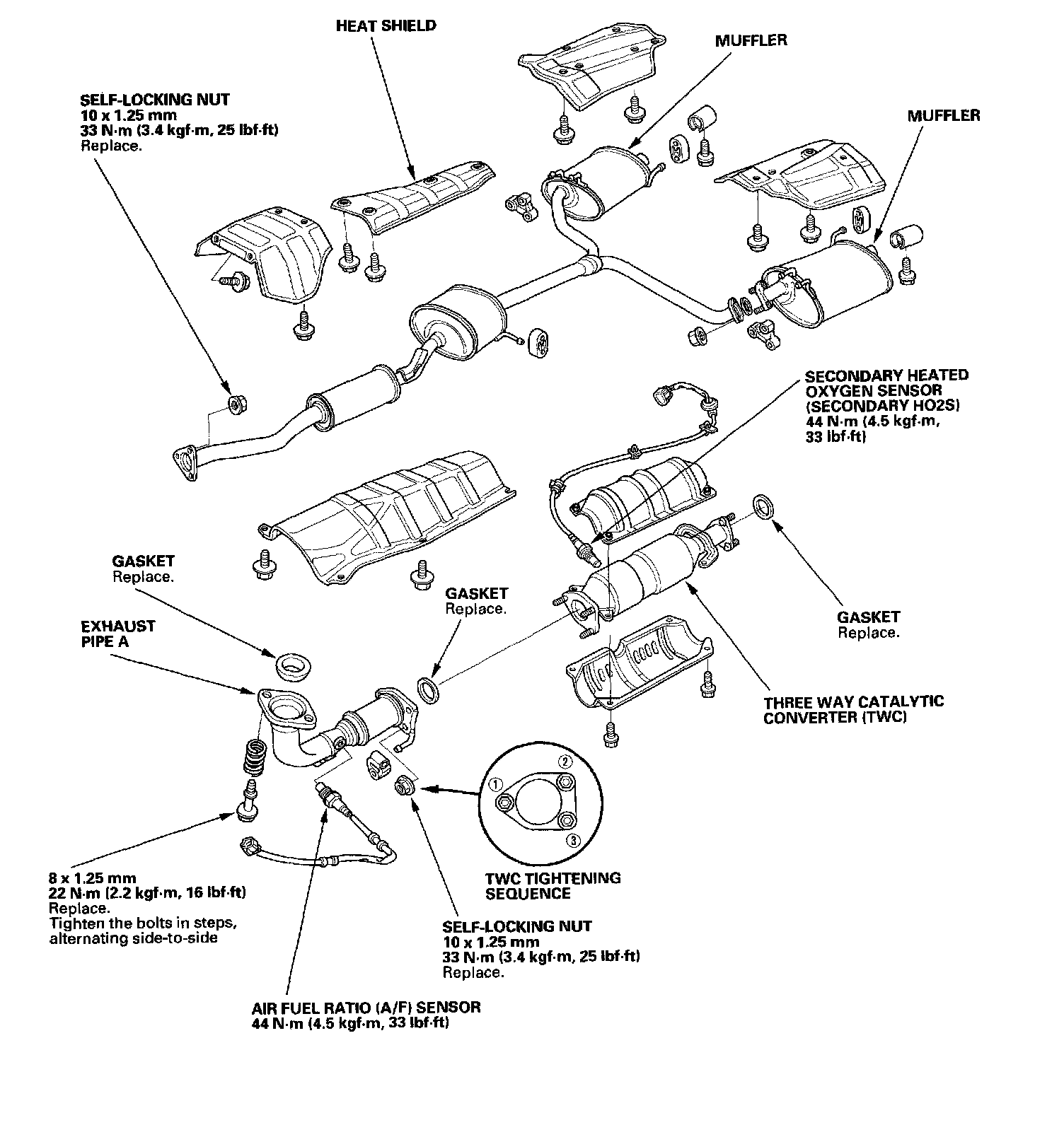
Home >> Acura >> 2004 >> TSX L4-2.4L >> Repair and Diagnosis >> Diagrams >> Exploded Views >> Muffler

Muffler