lemon-mirror:
Home >> Acura >> 2004 >> TL V6-3.2L >> Repair and Diagnosis >> Maintenance >> Timing Belt >> Service and Repair

Timing Belt: Service and Repair






Timing Belt Removal
1. Remove the right side engine compartment cover.





2. Turn the crankshaft so its white mark (A) lines up with the pointer (B).





3. Check that the No. 1 piston top dead center (TDC) mark (A) on the front camshaft pulley and the pointer (B) on the front upper cover are aligned.
4. Remove the right front tire/wheel.





5. Remove the splash shield.
6. Remove the drive belt.
7. Support the engine with a jack and wood block under the oil pan.





8. Remove the ground cable (A), then remove the side engine mount bracket (B).





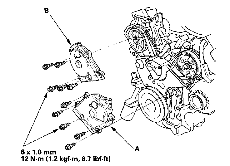
9. Remove the front upper cover (A) and rear upper cover (B).
10. Remove the crankshaft pulley.





11. Remove the lower cover.





12. Remove one of the battery clamp bolts from the battery tray, and grind the end of it as shown.





13. Screw the battery clamp bolt in as shown to hold the timing belt adjuster in its current position. Tighten it by hand; do not use a wrench.





14. Remove the engine mount bracket.





15. Remove the idler pulley bolt (A) and idler pulley (B), then remove the timing belt,

Timing Belt Installation

NOTE: The following procedure is for installing a new timing belt. If you are installing a used belt, refer to the used belt installation procedure.

New Belt
1. Clean the timing belt pulleys, timing belt guide plate, and the upper and lower covers.





2. Set the timing belt drive pulley to top dead center (TDC) by aligning the TDC mark (A) on the tooth of the timing belt drive pulley with the pointer (B) on the oil pump.





3. Set the camshaft pulleys to TDC by aligning the TDC marks (A) on the camshaft pulleys with the pointers (B) on the back covers.
4. Remove the battery clamp bolt from the back cover.





5. Remove the auto-tensioner.





6. Align the holes on the rod and housing of the auto-tensioner.
7. Use a hydraulic press to slowly compress the auto-tensioner. Insert a 2.0 mm (0.08 in.) pin through the housing and the rod.

NOTE: The compression pressure should not exceed 9,800 N (1,000 kgf, 2,200 lbs.).

Belt Tensioner Installation and Torque:





8. Install the auto-tensioner.

NOTE: Make sure the pin stays in place.





9. Screw the battery clamp bolt in as shown to hold the timing belt adjuster. Tighten it by hand, do not use a wrench.
10. Apply liquid thread lock (P/N 08713-0001) to the idler pulley bolt, then loosely install the idler pulley.





11. Install the timing belt in a Counterclockwise sequence starting with the drive pulley.





12. Tighten the idler pulley bolt.





13. Remove the pin from the auto-tensioner.
14. Remove the battery clamp bolt from the back cover.





15. Install the engine mount bracket.





16. Install the timing belt guide plate as shown.





17. Install the lower cover.
18. Install the crankshaft pulley.





19. Install the front upper cover (A) and rear upper cover (B).
20. Rotate the crankshaft pulley about five or six turns clockwise so the timing belt positions itself on the pulleys.





21. Turn the crankshaft pulley so its white mark (A) lines up with the pointer (B).








22. Check the camshaft pulley marks.
^ If the camshaft pulley marks are at TDC, go to step 23.
^ If the camshaft pulley marks are not at TDC, remove the timing belt and repeat steps 2 through 22.
23. Install the drive belt.





24. Install the side engine mount bracket (A), then tighten the bolts in the numbered sequence shown.
25. Install the ground cable (B).
26. Install the right front tire/wheel.

NOTE: On M/T models be careful not to damage or chip the paint of the brake calipers when installing the wheels.

27. Perform the crankshaft position (CKP) pattern clear/CKP pattern learn procedure.

Used Belt
Follow this procedure when installing a used timing belt.
1. Clean the timing belt pulleys, timing belt guide plate, and the upper and lower covers.





2. Set the timing belt drive pulley to TDC by aligning the TDC mark (A) on the tooth of the timing belt drive pulley with the pointer (B) on the oil pump.





3. Set the camshaft pulleys to TDC by aligning the TDC marks (A) on the camshaft pulleys with the pointers (B) on the back covers.
4. Apply liquid thread lock (P/N 08713-0001) to the idler pulley bolt, then loosely install the idler pulley.
5. If the auto-tensioner has extended and the timing belt cannot be installed, perform the new belt installation procedure.





6. Install the timing belt in a counterclockwise sequence starting with the drive pulley. Take care not to damage the timing belt when installing it.





7. Tighten the idler pulley bolt.





8. Remove the battery clamp bolt from the back cover.





9. Install the engine mount bracket.





10. Install the timing belt guide plate as shown.

Lower Cover:





11. Install the lower cover.
12. Install the crankshaft pulley.

Upper Cover:





13. Install the front upper cover (A) and rear upper cover (B).
14. Rotate the crankshaft pulley about five or six turns clockwise so the timing belt positions itself on the pulleys.





15. Turn the crankshaft pulley so its white mark (A) lines up with the pointer (B).








16. Check the camshaft pulley marks.
^ If the camshaft pulley marks are at TDC, go to step 17.
^ If the camshaft pulley marks are not at TDC, remove the timing belt and repeat steps 2 through 16.
17. Install the drive belt.





18. Install the side engine mount bracket (A), then tighten the bolts in the numbered sequence shown.
19. Install the ground cable (B).
20. Install the right front tire/wheel.

NOTE: On M/T models be careful not to damage or chip the paint of the brake calipers when installing the wheels.

21. Perform the crankshaft position (CKP) pattern clear/CKP pattern learn procedure.