lemon-mirror:
Home >> Acura >> 2004 >> MDX V6-3471cc 3.5L >> Repair and Diagnosis >> Powertrain Management >> Computers and Control Systems >> Relays and Modules - Computers and Control Systems >> Engine Control Module >> Service and Repair

Engine Control Module: Service and Repair

How to Remove/Install the PCM for Testing

If DTC troubleshooting requires voltage or resistance checks at the PCM connectors, remove the PCM and test it.

NOTE: The PCM overwrites data and monitors the EVAP system for up to 60 minutes after the ignition switch is turned OFF. Jumping the SCS line after turning the ignition switch OFF cancels this function. Disconnecting the PCM during this function, without jumping the SCS line first, can damage the PCM.

1. With the ignition switch ON (II), connect the HDS to the data link connector (DLC), and go to into any of the live data screens.
2. Turn the ignition switch OFF.
3. Exit and restart the HDS software. Go to the SCS mode and follow the screens to ground the 16P DLC.

NOTE: Steps 1 through 3 must be done to protect the powertrain control module (PCM) from damage, or wait at least 60 minutes before disconnecting.




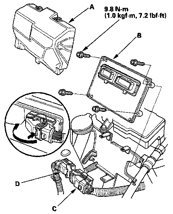
4. Remove the cover (A) from the PCM (B).
5. Disconnect the PCM connectors A (73P) (C) and B (56P) (D).
6. Remove the bolts and the PCM.
7. Install the PCM in the reverse order of removal.