lemon-mirror:
Home >> Acura >> 2003 >> RSX L4-2.0L >> Repair and Diagnosis >> Specifications >> Mechanical Specifications >> Engine >> Timing Components >> Variable Valve Timing Solenoid

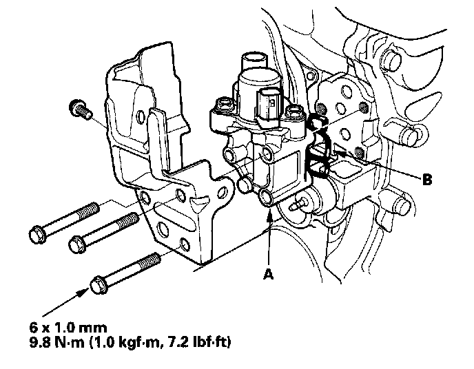
Variable Valve Timing Solenoid