lemon-mirror:
Home >> Acura >> 2003 >> RSX L4-2.0L >> Repair and Diagnosis >> Diagrams >> Exploded Views >> Cylinder Head Assembly

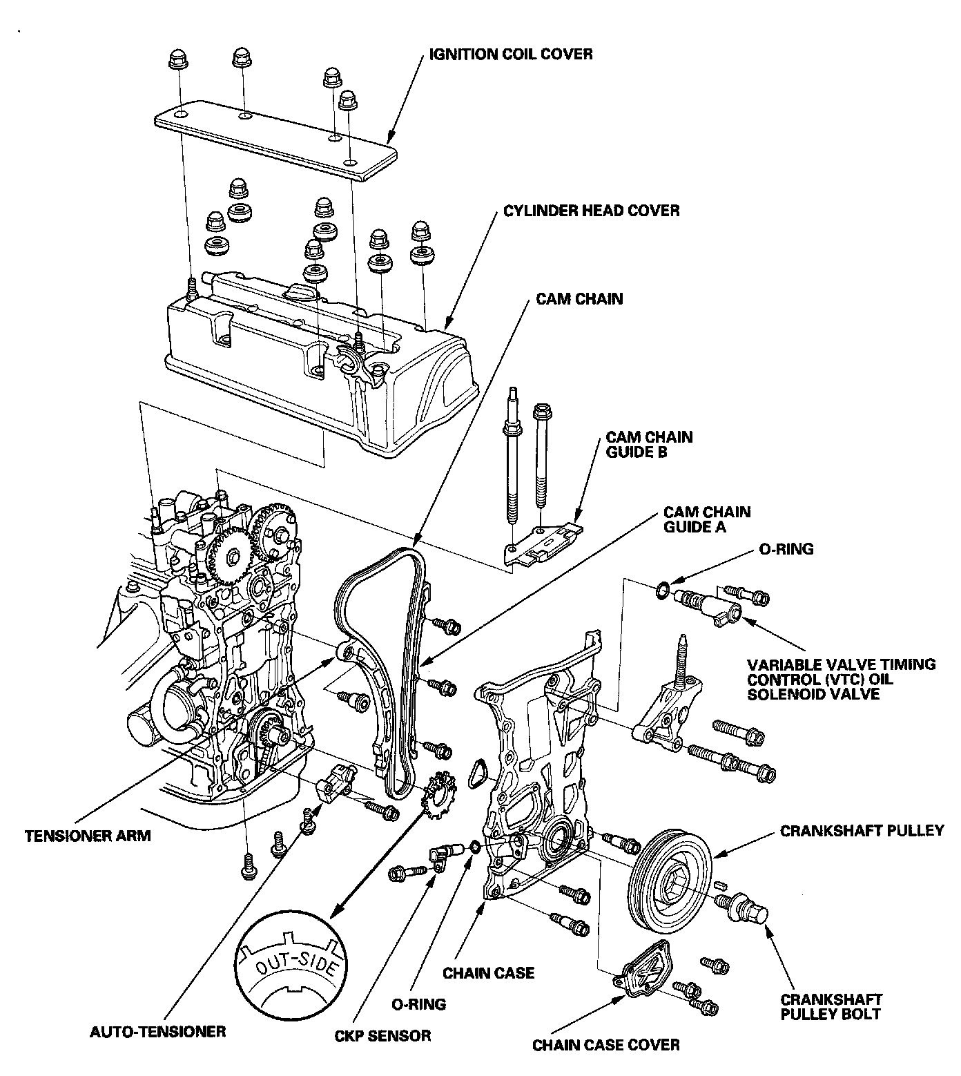
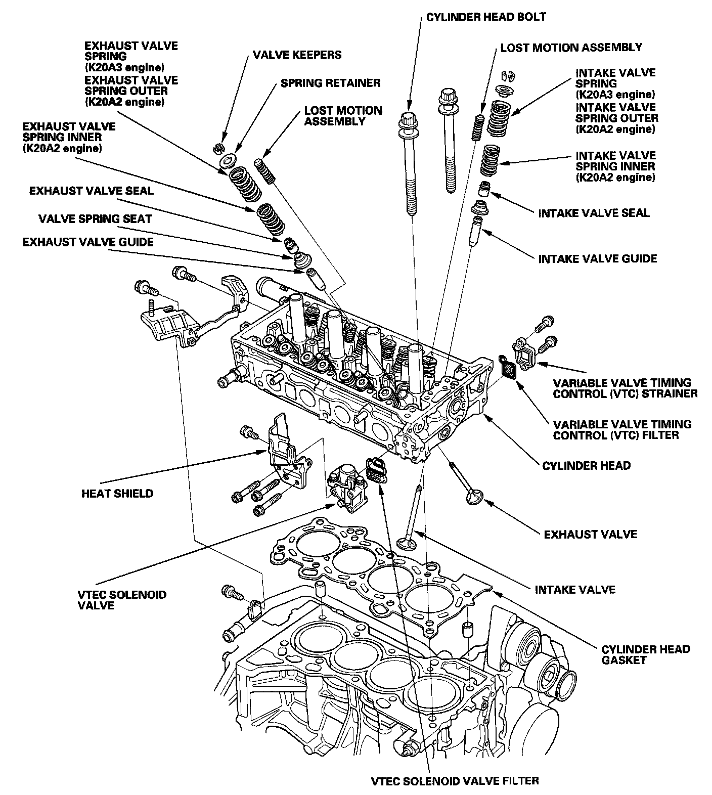
Cylinder Head Assembly

Component Location Index





Part 1 of 3





Part 2 of 3





Part 3 of 3