lemon-mirror:
Home >> Acura >> 2003 >> MDX V6-3471cc 3.5L >> Repair and Diagnosis >> Powertrain Management >> Computers and Control Systems >> Transmission Position Sensor/Switch >> Locations

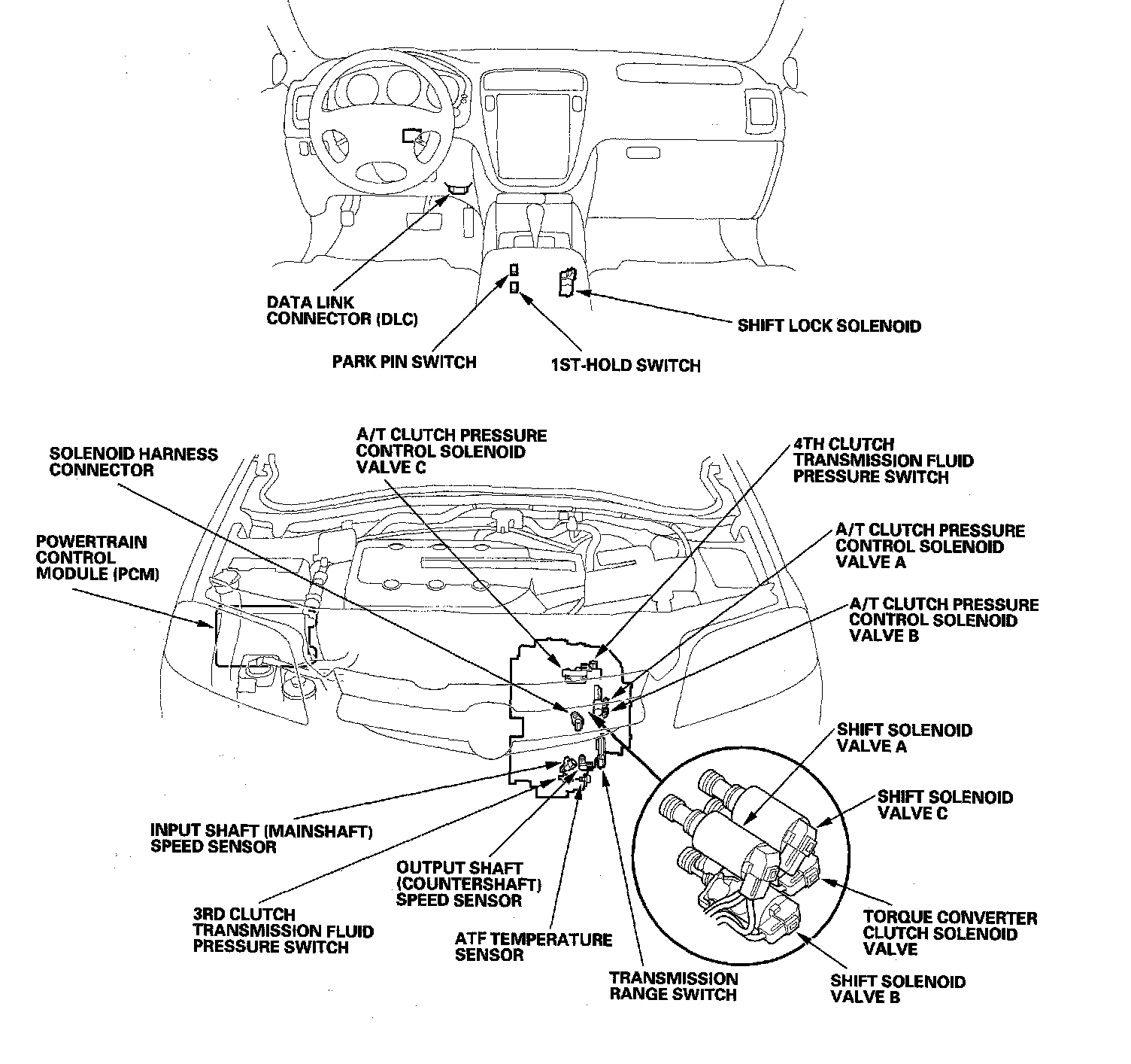
Transmission Position Sensor/Switch: Locations

Component Location Index:



202. Transmission Housing: