lemon-mirror:
Home >> Acura >> 2003 >> MDX V6-3471cc 3.5L >> Repair and Diagnosis >> Diagrams >> Exploded Views >> Cylinder Block Assembly

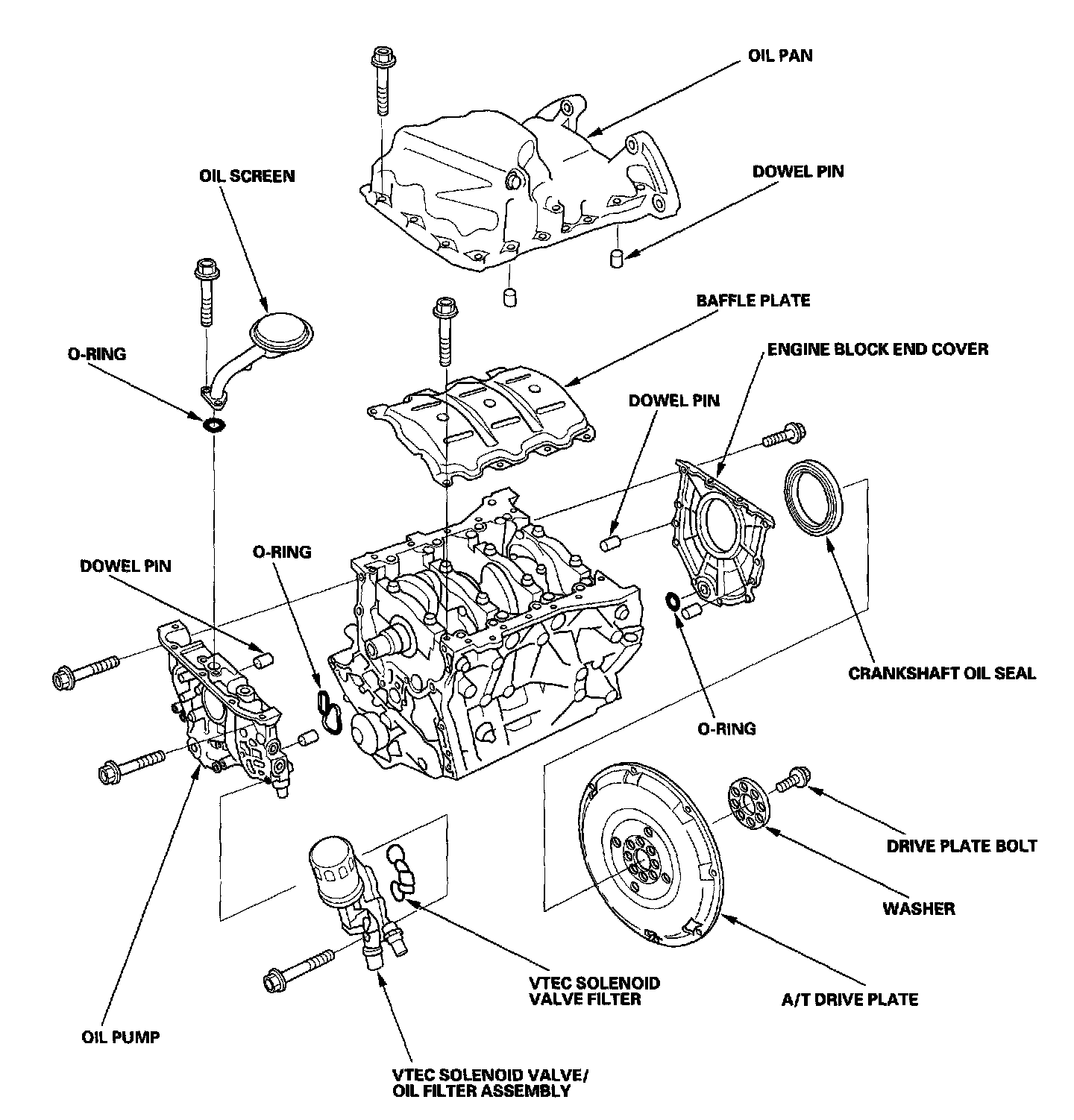
Cylinder Block Assembly

Part 1 Of 3:




Part 2 Of 3:




Part 3 Of 3:





Component Location Index