lemon-mirror:
Home >> Acura >> 2003 >> 3.2CL V6-3.2L SOHC >> Repair and Diagnosis >> Specifications >> Mechanical Specifications >> Engine >> System Specifications >> Intake Manifold

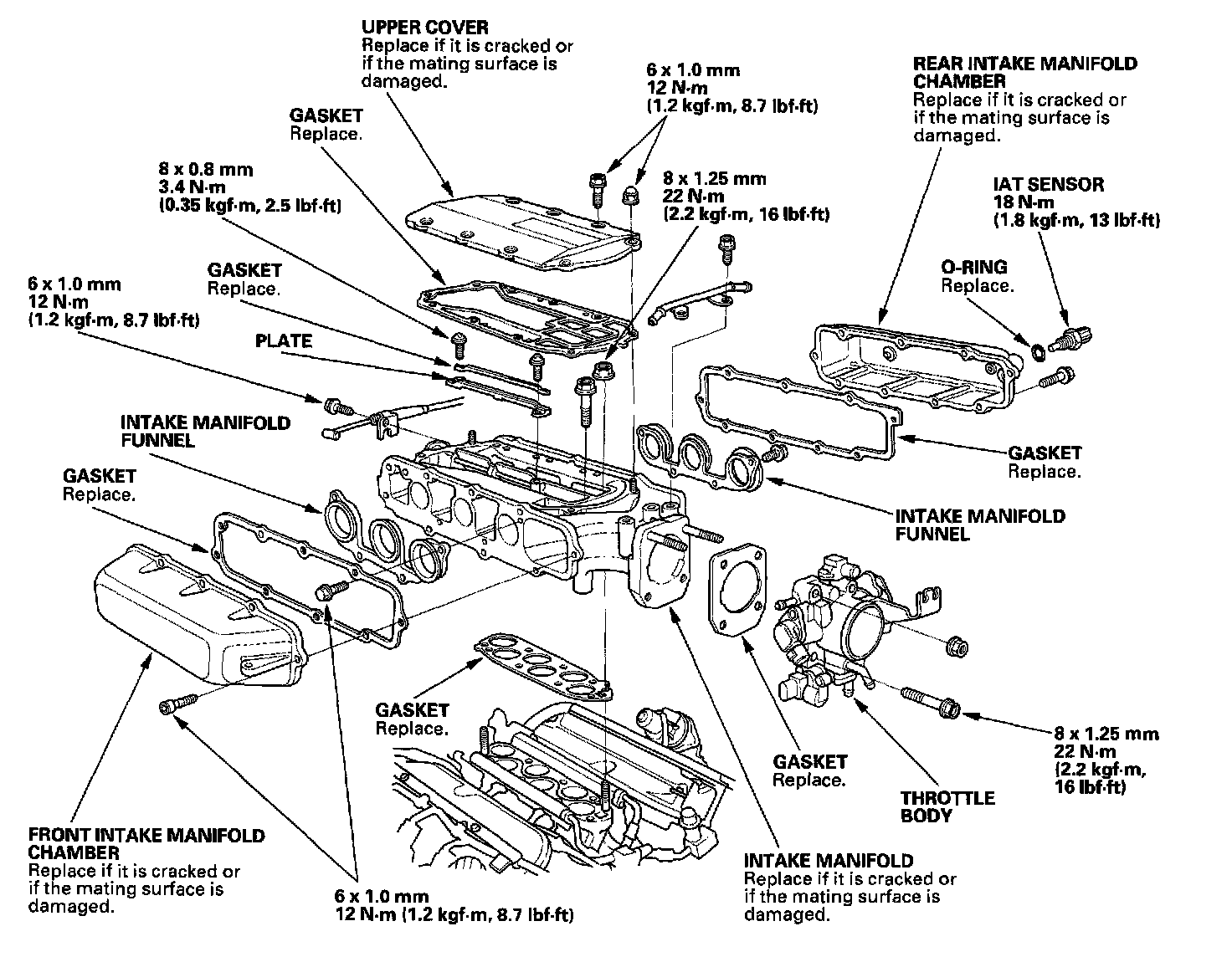
Intake Manifold

Intake Manifold Removal and Installation





J32A1 engine





J32A2 engine