lemon-mirror:
Home >> Acura >> 2003 >> 3.2CL V6-3.2L SOHC >> Repair and Diagnosis >> Heating and Air Conditioning >> Control Assembly >> Locations

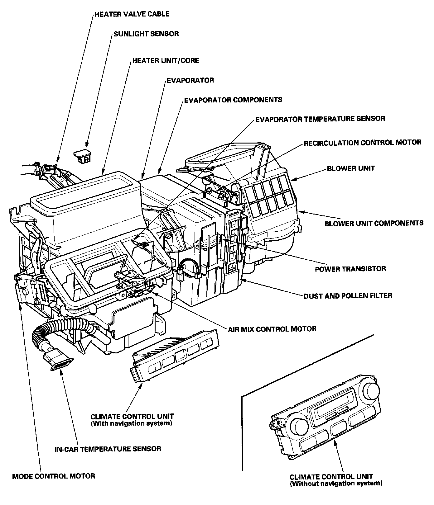
Control Assembly: Locations

Climate Control Component Location Index: