lemon-mirror:
Home >> Acura >> 2003 >> 3.2CL V6-3.2L SOHC >> Repair and Diagnosis >> Diagrams >> Exploded Views >> Exhaust System >> System Diagram

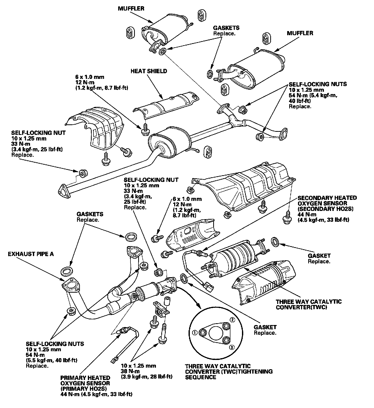
System Diagram

Exhaust Pipe and Muffler Replacement

NOTE: Use new gaskets and self-locking nuts when reassembling.





J32A1 engine

NOTE: Use new gaskets and self-locking nuts when reassembling.





J32A2 engine