lemon-mirror:
Home >> Acura >> 2003 >> 3.2CL V6-3.2L SOHC >> Repair and Diagnosis >> Diagrams >> Exploded Views >> Cylinder Block Assembly

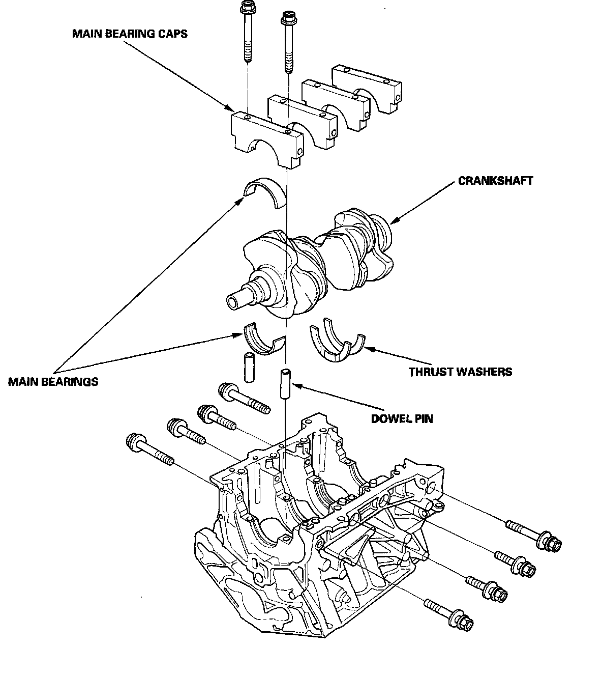
Cylinder Block Assembly

Component Location Index





Part 1 of 3





Part 2 of 3





Part 3 of 3