lemon-mirror:
Home >> Acura >> 2003 >> 3.2CL V6-3.2L SOHC >> Repair and Diagnosis >> Diagrams >> Exploded Views >> Cooling System >> System Diagram

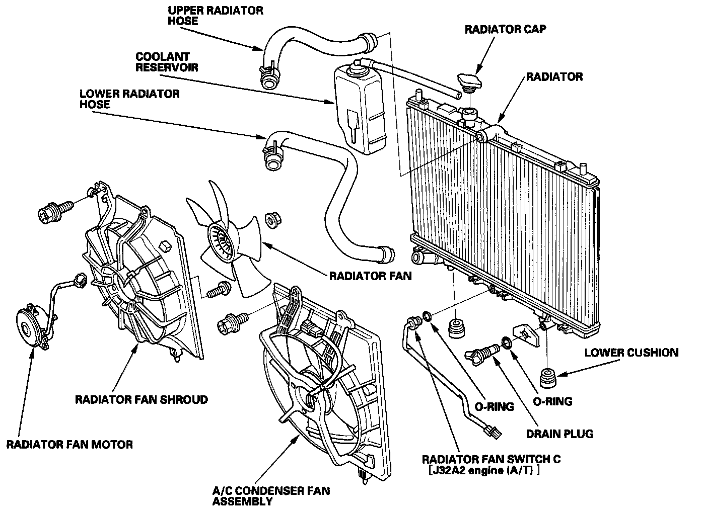
System Diagram

Component Location Index

J32A1 engine, J32A2 engine (M/T)





Part 1 of 3





Part 2 of 3





Part 3 of 3

J32A2 engine (A/T)





Part 1 of 3





Part 2 of 3





Part 3 of 3