lemon-mirror:
Home >> Acura >> 2002 >> MDX V6-3471cc 3.5L >> Repair and Diagnosis >> Diagrams >> Exploded Views >> Cylinder Block Assembly

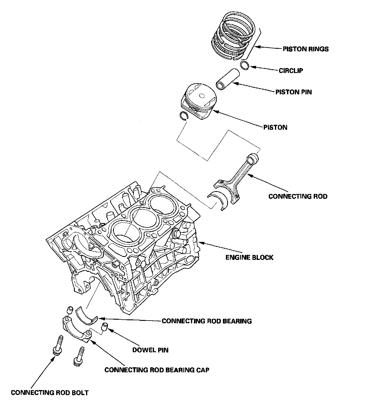
Cylinder Block Assembly

Component Location Index





Part 1 of 3





Part 2 of 3





Part 3 of 3