lemon-mirror:
Home >> Acura >> 2002 >> 3.2TL V6-3.2L SOHC >> Repair and Diagnosis >> Specifications >> Mechanical Specifications >> Cooling System >> System Specifications >> Torque Specifications

Torque Specifications

COOLING SYSTEM





Thermostat Replacement





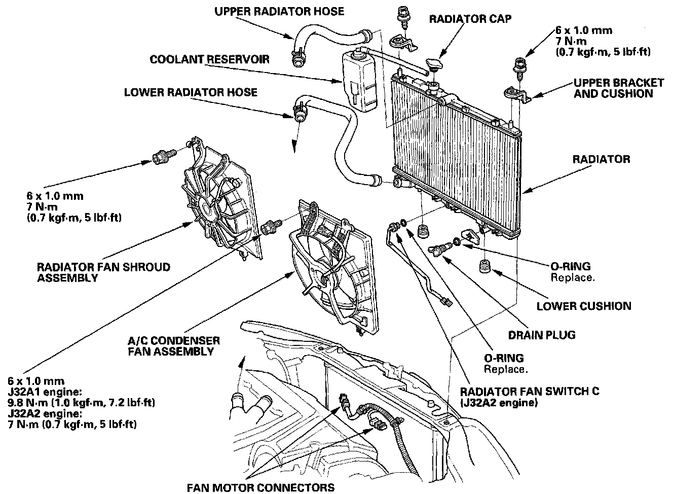
Radiator and Fans Replacement





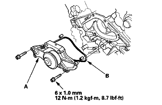
Water pump displacement
at 6,000 engine rpm 172 L/min (182 US qt/min)

Water Pump Bolt Torque:




Water Pump Torque