lemon-mirror:
Home >> Acura >> 2002 >> 3.2TL V6-3.2L SOHC >> Repair and Diagnosis >> Diagrams >> Exploded Views >> Intake Manifold

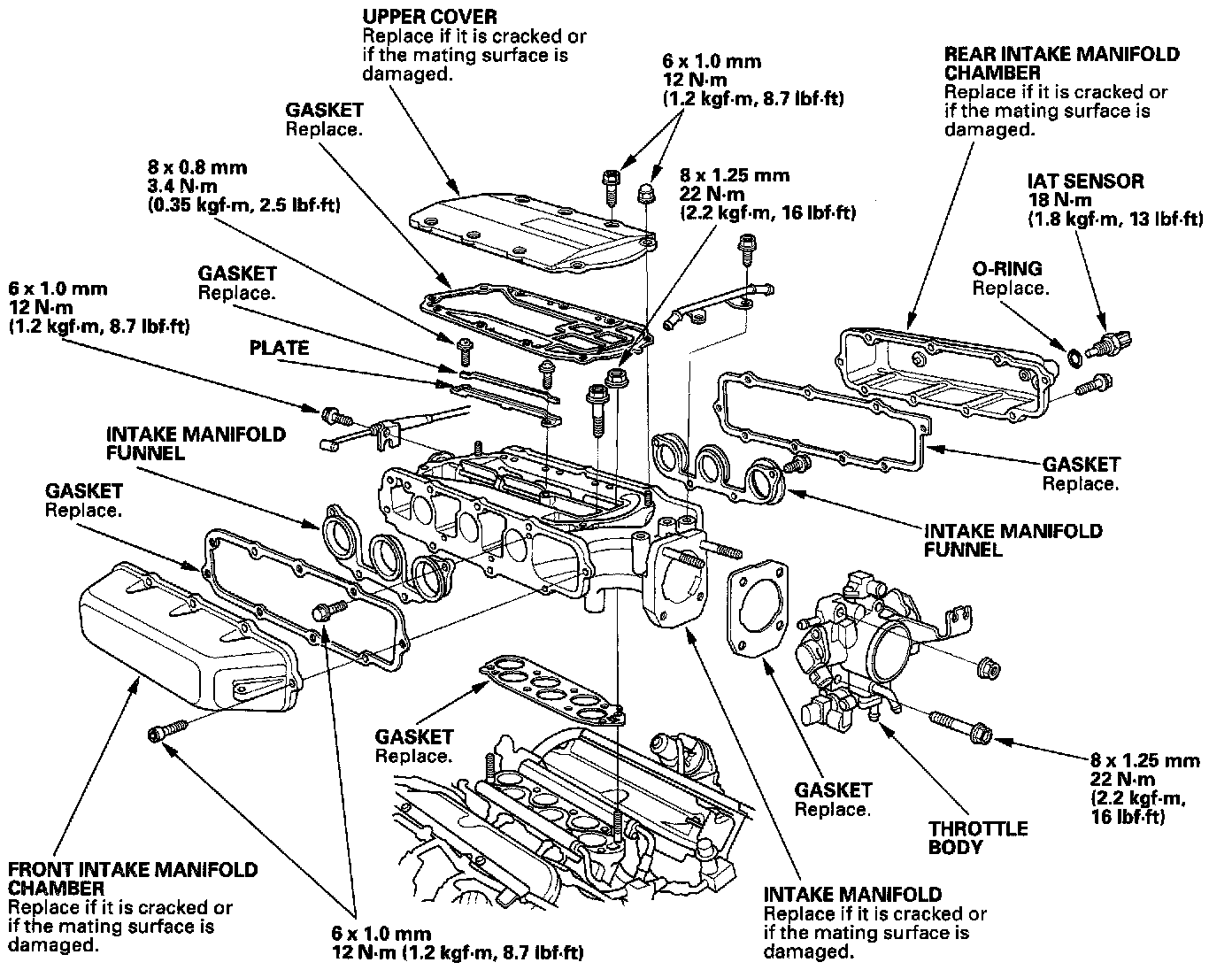
Intake Manifold

Intake Manifold Removal and Installation





Exploded View-J32A1 engine ('00-03 models)





Exploded View-J32A2 engine: