lemon-mirror:
Home >> Acura >> 2001 >> CL V6-3.2L SOHC >> Repair and Diagnosis >> Specifications >> Mechanical Specifications >> Cooling System >> System Specifications

System Specifications





THERMOSTAT REPLACEMENT





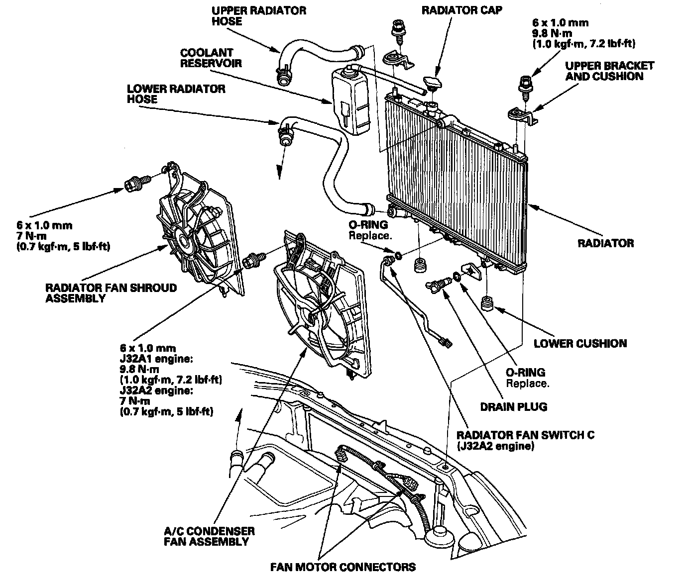
RADIATOR AND FANS REPLACEMENT