lemon-mirror:
Home >> Acura >> 2001 >> CL V6-3.2L SOHC >> Repair and Diagnosis >> Diagrams >> Electrical Diagrams >> General Module

General Module

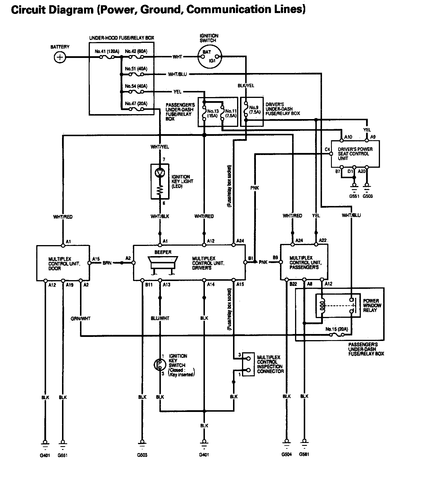
Multiplex Control System Image 50:



Multiplex Control System - Circuit Diagram (Power, Ground, Communication Lines):